Запчасти Bobcat 231 OIL COOLER KIT (Use with breaker applications) ACCESSORIES & OPTIONS

Схема запчастей Bobcat 231 - OIL COOLER KIT (Use with breaker applications) ACCESSORIES & OPTIONS
FIT
1:1
100%

Артикул

Название

Примечание

Количество

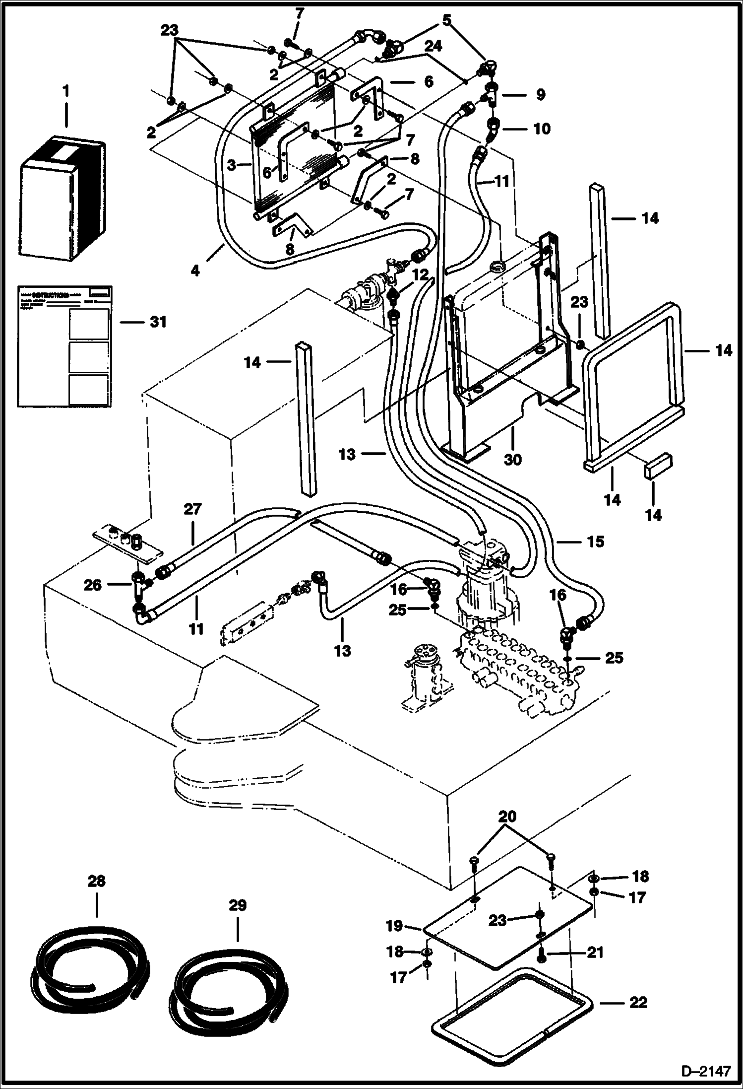
1

6539451

KIT Oil cooler - W/Refs. 2-25 & 31

2

15EM80

WASHER

3

6649370

OIL COOLER

4

6539453

HOSE

5

17K8

FITTING W/Ref. 24

6

6539369

PLATE

7

1CM825

BOLT

8

6539426

PLATE

9

13K8

TEE

10

12K8

ELBOW

11

6539454

HOSE

12

6660077

ADAPTER

13

6539452

HOSE

14

INSULATION NLA - 84 inch (2134mm) - Order Ref. 28

15

6539712

HOSE

16

17K7

ELBOW W/Ref. 25

17

1DM10

NUT

18

15EM100

WASHER

19

6539427

PLATE

20

4CM1040

SCREW

21

1CM830

BOLT

22

SEAL NLA - 48 inch (1219mm) - Order Ref. 29

23

1DM8

NUT

24

79K12

O RING 10

25

79K10

O RING 10

26

13K7

FITTING

27

6536146

HOSE

28

6554274

INSULATION Bulk - Sold Per Foot

29

6555351

SEAL bulk - sold per foot

30

6536089

MOUNT Radiator

31

6720882

INSTRUCTIONS

Выбрано товаров: 31