Запчасти Bobcat 231 FRONT IDLER (For all Steel & for Rubber Tracks on European Models) (W/O Oil Plug) UNDERCARRIAGE

Схема запчастей Bobcat 231 - FRONT IDLER (For all Steel & for Rubber Tracks on European Models) (W/O Oil Plug) UNDERCARRIAGE
FIT
1:1
100%

Артикул

Название

Примечание

Количество

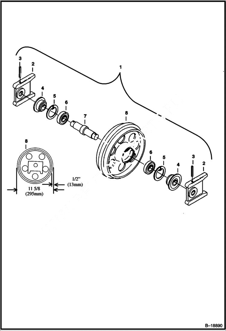
1

FRONT IDLER NLA - assy. - Ref. 2-8 - Order 6808250 - Was 6588994 - A

2

6588995

BLOCK Was 6535559 - A

3

2JM1060

PIN

4

6655061

SEAL Was 6652379 - D

5

7JM72

SNAP RING Was 6655060 - A

6

6684339

BEARING Was 6655856 - A

7

6588997

SHAFT Was 6535558 - A

8

IDLER See Illustration FRONT IDLER/ B18638 - NLA - Order 6808250 - check the outer diameter of idler before ordering parts - Was 6588998 - A

Выбрано товаров: 8