Запчасти Bobcat 231 ROCKER ARM COVER POWER UNIT

Схема запчастей Bobcat 231 - ROCKER ARM COVER POWER UNIT
FIT
1:1
100%

Артикул

Название

Примечание

Количество

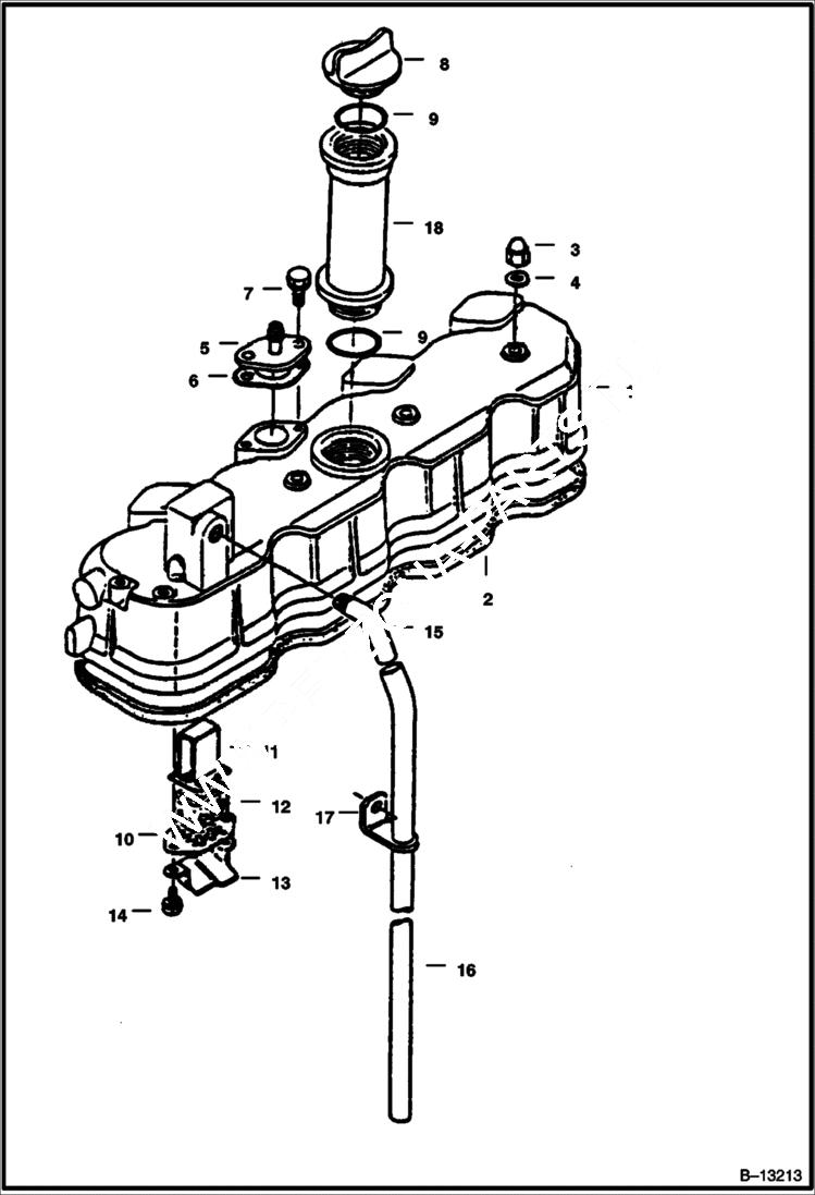
1

6655493

COVER

2

6598136

GASKET, COVER VALVE See Illustration UPPER GASKET KIT/ C3255 Included W/upper gasket kit

3

3974923

NUT

4

3974095

MET-GASK See Illustration UPPER GASKET KIT/ C3255 Included W/upper gasket kit

5

6650435

COVER

6

6666784

GASKET See Illustration UPPER GASKET KIT/ C3255 Included W/upper gasket kit - Was 3974537B - A

7

1CM614

SCREW Was 4CM614 - A

8

6685924

CAP oil filler - Was 6652653 - A

9

6684782

O-RING See Illustration UPPER GASKET KIT/ C3255 - included W/upper gasket kit - Was 3966602 - A

10

3974924

PLATE

11

3974925

PLATE

12

3974926

BREATHER

13

3974927

SHIELD oil breather

14

6598167

SCREW W/Washer

15

6652624

JOINT Was 3974929 - A

16

3974930

PIPE

17

3974931

CLAMP

18

6655507

FLANGE

Выбрано товаров: 18