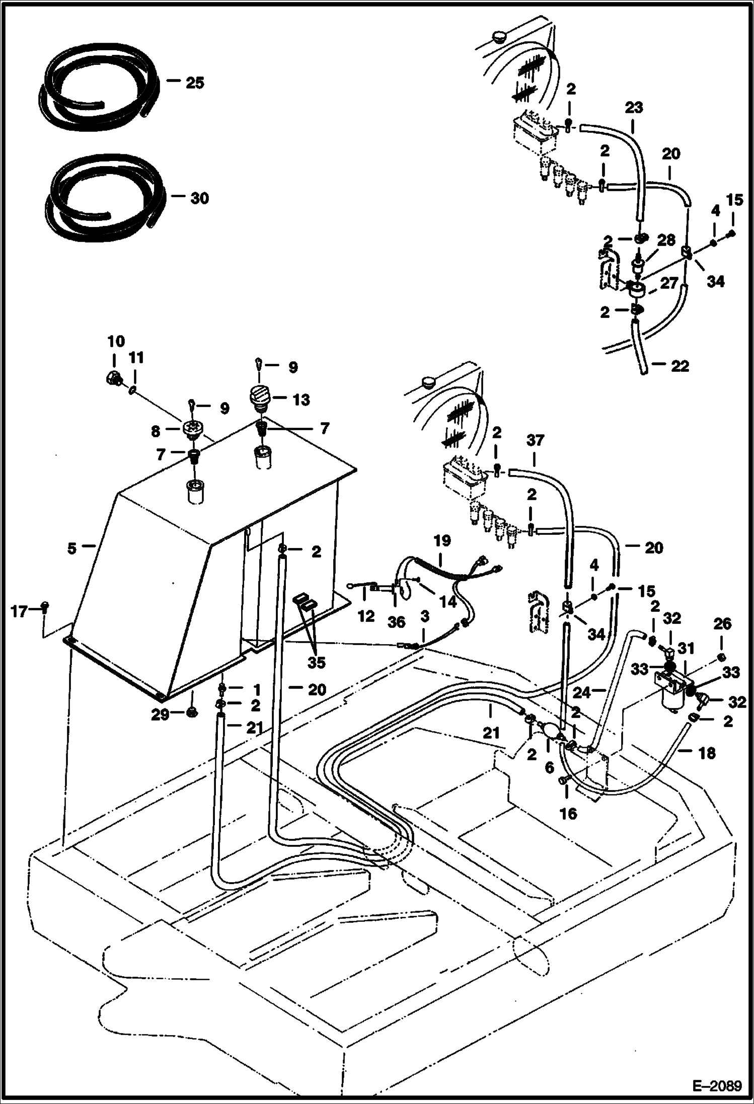
Запчасти Bobcat 231 FUEL SYSTEM POWER UNIT

Схема запчастей Bobcat 231 - FUEL SYSTEM POWER UNIT
FIT
1:1
100%

Артикул

Название

Примечание

Количество

1

1317483

NIPPLE

2

42HS04

CLAMP, HOSE Was 6515575 - A

3

6534833

SWITCH

4

15EM60

WASHER

5

6538823

TANK W/Ref. 29

6

6657734

PUMP, PRIMER HAND 124 mm (4.88'') long - A

7

7120881

SCREEN, FILLER Was 6569219 - A

8

CAP NLA - locking, fuel - non-vented - W/Ref. 9 - key code GC020 - Order 6661696 - Was 6654373 - B

8

6661696

CAP, FUEL LOCKING locking, fuel - non-vented - Order Key Separately - key code PK510

9

6654374

KEY key code GC020

9

6587458

KEY key code PK510

10

6665915

GAUGE sight guage - Was 6656338 - A

11

79K12

O RING 10

12

6658223

SENDER fuel level

13

CAP NLA - locking, hydraulic - W/Ref. 9 - key code GC020 - Order 6662030 - Was 6659249 - A

13

6662030

CAP locking, hydraulic - Order Key Separately - key code PK510

13

6664220

CAP locking, hydraulic - vented - Order Key Separately - key code PK510

14

1CM512

BOLT

15

1CM620

BOLT

16

1CM820

BOLT

17

29CM1020

BOLT

18

HOSE NLA - 29'' (737 mm) long - Order Ref. 25

19

6537435

HARNESS

20

HOSE NLA - 91'' (229 mm) long - Order Ref. 30

21

HOSE NLA - 73'' (1855 mm) long - Order Ref. 25

22

HOSE NLA - 26'' (660 mm) long - Order Ref. 25

23

HOSE NLA - 20'' (508 mm) long - Order Ref. 25

24

HOSE NLA - 9'' (229 mm) long - Order Ref. 25

25

6714543

GASKET See Illustration LOWER GASKET KIT/ C3254 Included W/lower gasket kit - Was - 6666785 - A

25

6577822

HOSE bulk - sold per foot

26

1DM8

NUT

27

3918244

BAND

28

6633977

FILTER fuel

29

40K12

PLUG 3/4 NPT

29

40K8

PLUG 1/2 NPT

30

6578169

HOSE bulk - sold per foot - 0.19'' ID

31

6667353

FILTER ASSY fuel - Was 6657020 - A

31

6667352

FILTER, FUEL W/SEPARATOR 12 Was 6647773 - A

31

6658180

PLUG, BLEED

33

79K8

O RING 10

34

30H33

CLIP Was 30H000021B - B,D

35

6662317

MAGNET located inside hyd. tank

36

6630972

GASKET fuel sender - Was 6660972 - D

Выбрано товаров: 43