Качественные детали и логистика
Оригинальные и аналоговые запчасти с доставкой по России, Казахстану и Беларуси
©2022 PartSell ООО "Система" ИНН 2463123282 ОГРН 1212400004838
Центральный офис: г. Красноярск, Академика Киренского, д.87, пом.4
Телефон: 8 (800) 777-65-74 Email: zakaz@partsell.ru
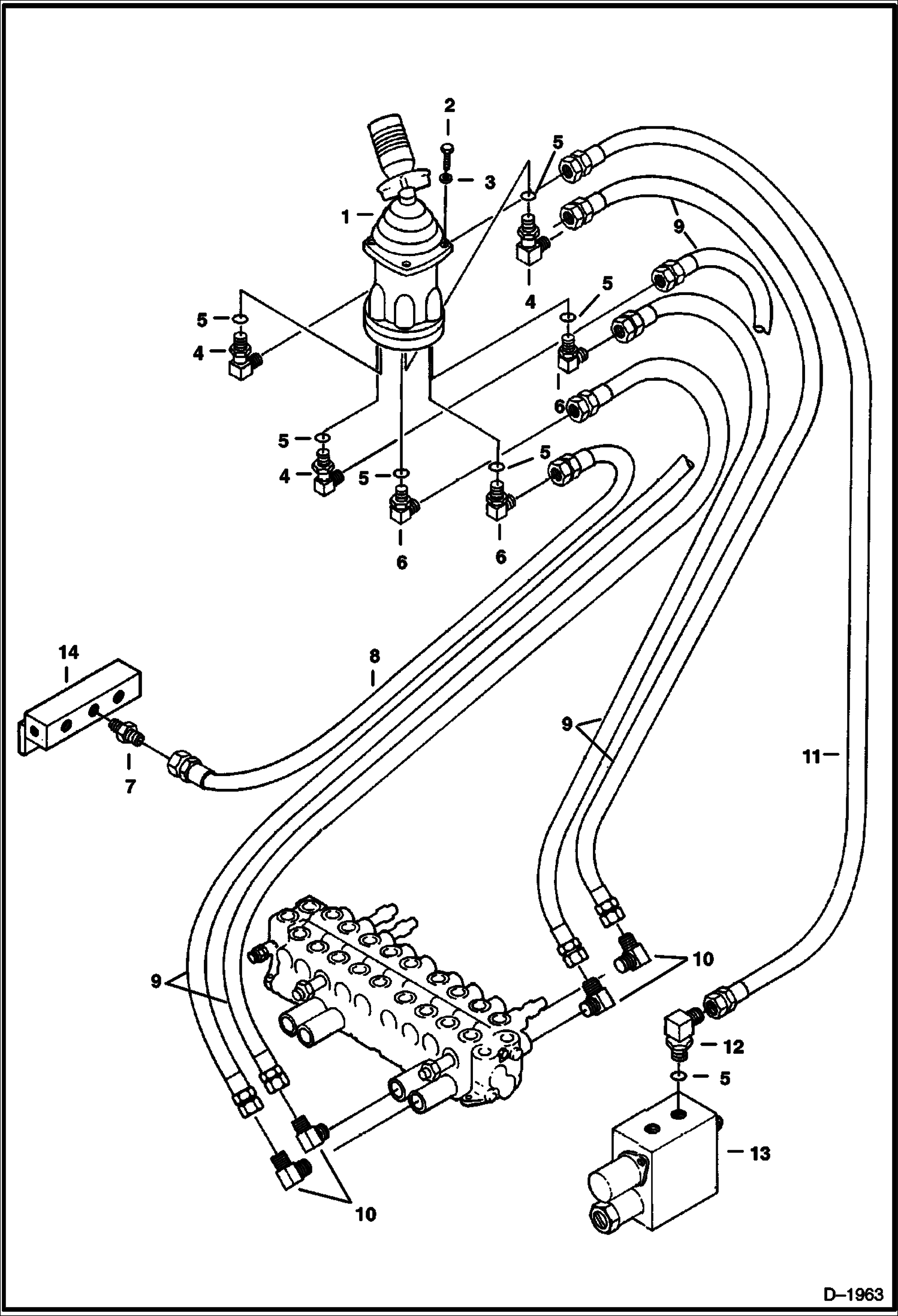
L.H. JOYSTICK CONTROLS (Arm & Swing) (ISO Control Pattern)
№
Артикул
Название
Примечание
Количество
1
6654119
JOYSTICK ASSY. See Illustration L.H. JOYSTICK CONTROLS/ D1973 - LH
2
1CM625
BOLT
3
6EM60
WASHER, SPRING
4
6535594
ELBOW W/Ref. 5
5
6655244
O-RING
6
6535567
7
6535078
ADAPTER
8
6587605
HOSE Was 6534296 - A
9
6587603
HOSE Was 6534294 - A
10
6535066
ELBOW
11
6587604
HOSE Was 6534295 - A
12
13
6654121
VALVE See Illustration UNLOAD VALVE/ C3164
14
6535385
MANIFOLD See Illustration HYDRAULIC CIRCUITRY/ B18647
Выбрано товаров: 0