Качественные детали и логистика
Оригинальные и аналоговые запчасти с доставкой по России, Казахстану и Беларуси
©2022 PartSell ООО "Система" ИНН 2463123282 ОГРН 1212400004838
Центральный офис: г. Красноярск, Академика Киренского, д.87, пом.4
Телефон: 8 (800) 777-65-74 Email: zakaz@partsell.ru
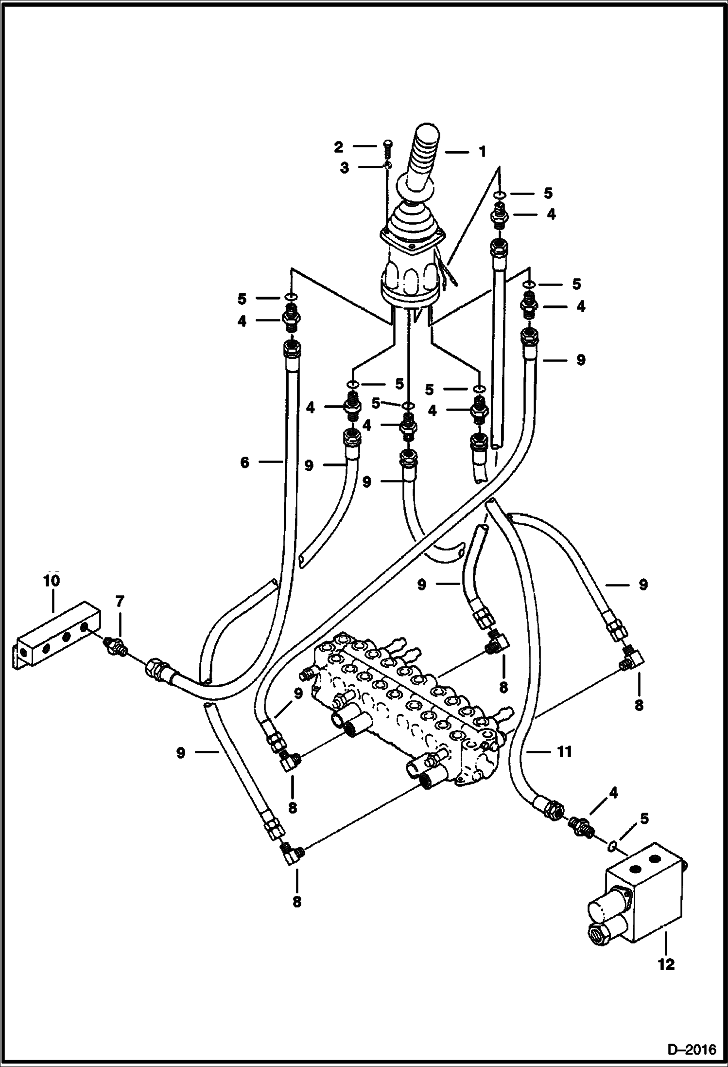
R.H. JOYSTICK CONTROLS (Bucket & Arm) (U.S. Control Pattern)
№
Артикул
Название
Примечание
Количество
1
6654120
JOYSTICK ASSY. See Illustration R.H. JOYSTICK CONTROLS/ D1972 - RH
2
1CM625
BOLT
3
6EM60
WASHER, SPRING
4
6535595
ADAPTER W/Ref. 5
5
6655244
O-RING
6
6587602
HOSE Was 6534293 - A
7
6535078
ADAPTER
8
6535066
ELBOW
9
6587600
HOSE Was 6534291 - A
10
6535385
MANIFOLD See Illustration HYDRAULIC CIRCUITRY/ B18647
11
6587601
HOSE Was 6534292 - A
12
6654121
VALVE See Illustration UNLOAD VALVE/ C3164
Выбрано товаров: 0