Качественные детали и логистика
Оригинальные и аналоговые запчасти с доставкой по России, Казахстану и Беларуси
©2022 PartSell ООО "Система" ИНН 2463123282 ОГРН 1212400004838
Центральный офис: г. Красноярск, Академика Киренского, д.87, пом.4
Телефон: 8 (800) 777-65-74 Email: zakaz@partsell.ru
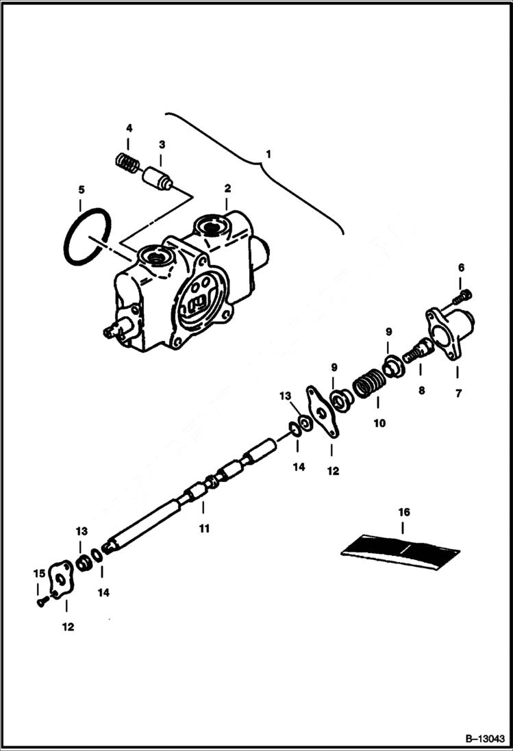
VALVE SECTION (Auxiliary)
№
Артикул
Название
Примечание
Количество
1
6653113
SECTION Assy. - Ref. 2-15
2
HOUSING NSS
3
6630965
POPPET
4
6630966
SPRING
5
O-RING NLA
6
6653143
BOLT
7
3974830
CAP
8
3974832
9
RETAINER Was 3974831B - A
10
SPRING NLA - Was 6653145 - A
11
SPOOL NSS
12
3974829
SEAL PLAT
13
WIPER NLA
14
15
6653144
SCREW
16
6653124
SEAL KIT Ref. 5, 13 & 14 -Was 6653142 - A
Выбрано товаров: 0