Качественные детали и логистика
Оригинальные и аналоговые запчасти с доставкой по России, Казахстану и Беларуси
©2022 PartSell ООО "Система" ИНН 2463123282 ОГРН 1212400004838
Центральный офис: г. Красноярск, Академика Киренского, д.87, пом.4
Телефон: 8 (800) 777-65-74 Email: zakaz@partsell.ru
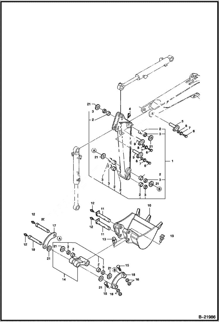
WORK EQUIPMENT
№
Артикул
Название
Примечание
Количество
1
NTS3-31000-1
ARM ASSY W/Ref. 2 & 3
2
NTS3-31010
BUSHING
3
0493-25035-H
SEAL dust
4
0542-02000-F
GREASE ZERK 90 degree
5
NTS3-01300
PIN
6
0102-08020-A
BOLT M8x20
7
0387-08000-A
WASHER M8
8
NTS1-00045
COLLAR
9
NTS1-00600
10
NTS3-51300
BUCKET ASSY See Illustration BUCKET/ B22022 - 300 mm - Order from Sales
11
NTS3-51110
12
0540-02000-F
GREASE ZERK NPT 1/8
13
6560382
PIN, LOCK Was 6816554 - A
14
NTS3-43000
DUMP LINK ASSY
15
0102-08050-A
BOLT M8x50
16
0311-08000-A
NUT M8
17
NTS3-40000
LINK ASSY bucket - R.H.
18
NTS3-40200
LINK ASSY bucket - L.H.
19
NTS3-00014
20
NTS3-00015
21
NTS3-00022
WASHER 27xt1.0
NTS3-00023
WASHER 27xt0.5
Выбрано товаров: 0