Качественные детали и логистика
Оригинальные и аналоговые запчасти с доставкой по России, Казахстану и Беларуси
©2022 PartSell ООО "Система" ИНН 2463123282 ОГРН 1212400004838
Центральный офис: г. Красноярск, Академика Киренского, д.87, пом.4
Телефон: 8 (800) 777-65-74 Email: zakaz@partsell.ru
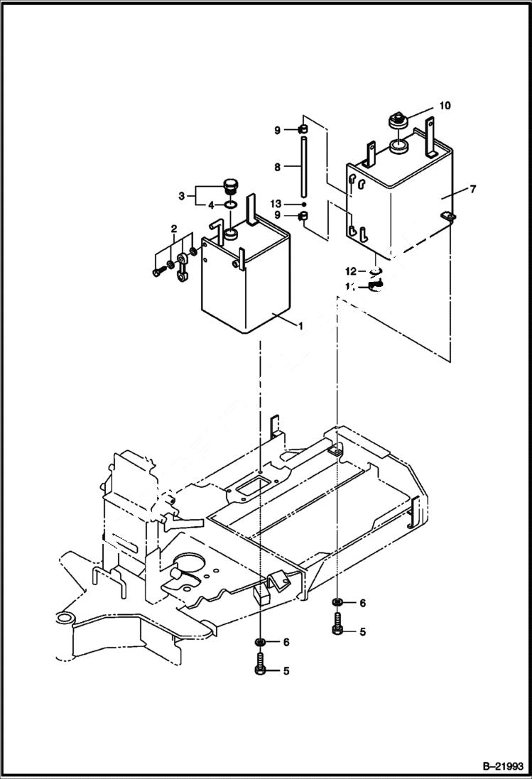
TANK UNIT
№
Артикул
Название
Примечание
Количество
1
NTS2-22100-A
TANK hyd
NTS2-22100-B
2
41301-01240
GAUGE level
3
30554-61024
PLUG
4
0490-00029-B
O-RING
5
0103-10025-A
BOLT M10x25 - Was 0211-10025-A - A
6
0389-10000-A
WASHER M10
7
NTS2-21100-3
TANK fuel
8
0755-09248-O
TUBE vinyl - Was 0755-05248 - A
0738-09248-O
TUBE vinyl
9
30572-02014
CLIP hose
10
562-00800
CAP ASSY
11
0547-06000-O
12
6655250
O-RING Was 0490-00014-B - A
13
1392-00500
BALL red
Выбрано товаров: 0