Качественные детали и логистика
Оригинальные и аналоговые запчасти с доставкой по России, Казахстану и Беларуси
©2022 PartSell ООО "Система" ИНН 2463123282 ОГРН 1212400004838
Центральный офис: г. Красноярск, Академика Киренского, д.87, пом.4
Телефон: 8 (800) 777-65-74 Email: zakaz@partsell.ru
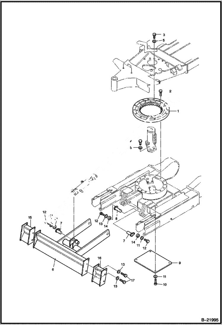
TRACK FRAME
№
Артикул
Название
Примечание
Количество
1
NTS1-92000
BEARING swing
2
0103-10050-A
BOLT M10x50 - Was 0211-10050-A - A
3
0103-10030-A
BOLT M10x30 - Was 0211-10030-A - A
4
0103-10035-A
BOLT M10x25 - Was 0211-10025-A - A
5
0389-10000-A
WASHER M10
6
NTS1-40000-A
DOZER Was NTS1-40000-2 - A
7
NTS1-00600
PIN
8
NTS1-00500
9
NTS1-00017
COVER
10
0102-08015-A
BOLT M8x15
11
0389-08000-A
WASHER M8
12
0102-08020-A
BOLT M8x20
13
0389-12000-A
WASHER M12
14
NTS1-00045
COLLAR
15
NTS1-40100
BLADE
16
NTS1-40200
17
0102-12025-A
BOLT M12x25
Выбрано товаров: 0