Качественные детали и логистика
Оригинальные и аналоговые запчасти с доставкой по России, Казахстану и Беларуси
©2022 PartSell ООО "Система" ИНН 2463123282 ОГРН 1212400004838
Центральный офис: г. Красноярск, Академика Киренского, д.87, пом.4
Телефон: 8 (800) 777-65-74 Email: zakaz@partsell.ru
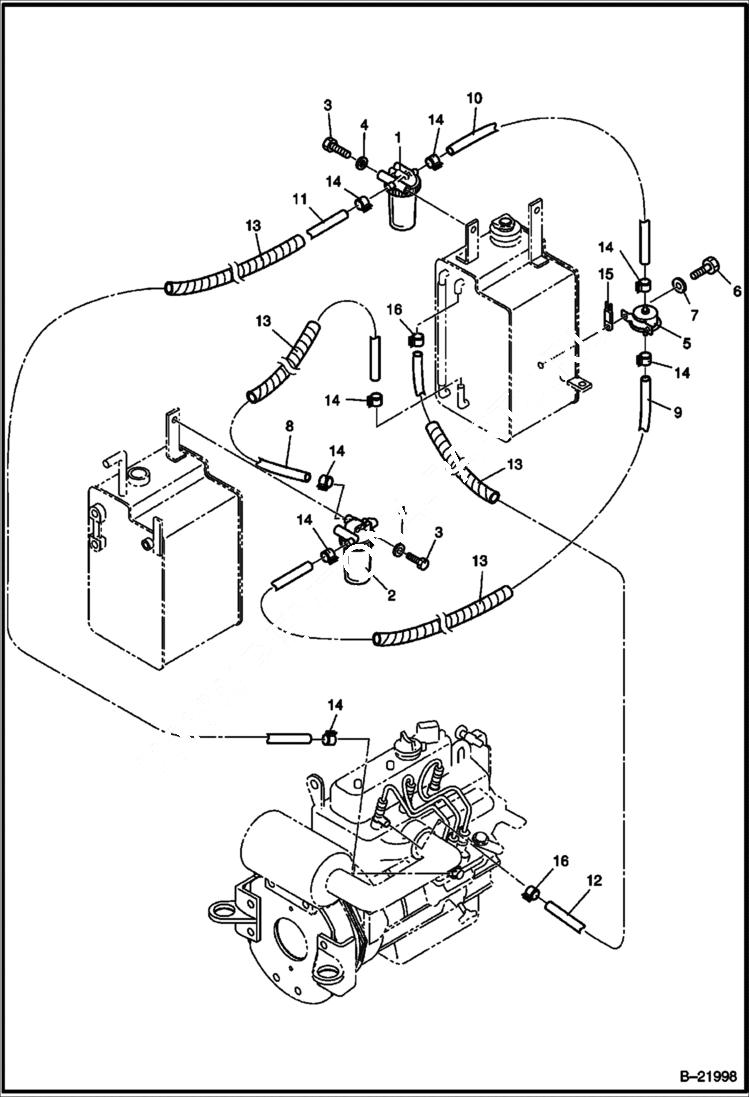
ENGINE & ATTACHING PARTS Fuel System ESA 522911 - NA 522811
№
Артикул
Название
Примечание
Количество
1
15393-43019
FUEL FILTER ASMBLY fuel
6693354
FILTER Was 6683039 - A
2
6969916
ASSY SEDIMENTER water - Was 15831-43353 - B
3
0102-08070-A
BOLT M8x70 - Was 0102-08065-A - A
4
0389-08000-A
WASHER
5
16851-52033
FUEL PUMP Was RC601-51351 - A
6
0102-06015-A
BOLT
7
0389-06000-A
8
0753-08047-O
HOSE
9
0753-08090-O
10
0753-08035-O
11
0753-08190-O
TUBE Was 0753-08195-O - A
12
0753-04240-O
13
0809-12300
HOSE COVER
14
0760-12500-O
CLIP hose
15
4P-7581
CLIP
16
14971-42751
Выбрано товаров: 0