Качественные детали и логистика
Оригинальные и аналоговые запчасти с доставкой по России, Казахстану и Беларуси
©2022 PartSell ООО "Система" ИНН 2463123282 ОГРН 1212400004838
Центральный офис: г. Красноярск, Академика Киренского, д.87, пом.4
Телефон: 8 (800) 777-65-74 Email: zakaz@partsell.ru
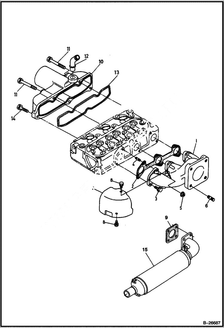
MANIFOLDS Kubota D722 NA 522811
№
Артикул
Название
Примечание
Количество
1
6683098
MANIFOLD EXHAUST Exhaust
2
6693093
GASKET Included W/upper gasket kit
3
6670531
BOLT
4
3974289
STUD
5
6670533
NUT
6
3974627
7
6683099
COVER HEAT PROOF Included W/upper gasket kit
8
1CM612
BOLT Was 4CM612 - A
9
6960259
GASKET muffler - Was 6680583
10
6688062
MANIFOLD intake - W/Ref. 2 & 3
11
6657412
12
6687719
TUBE
13
6670535
14
6652580
15
6693105
MUFFLER
Выбрано товаров: 0