Запчасти Bobcat 316 LOWER GASKET KIT Kubota D722 POWER UNIT

Схема запчастей Bobcat 316 - LOWER GASKET KIT Kubota D722 POWER UNIT
FIT
1:1
100%

Артикул

Название

Примечание

Количество

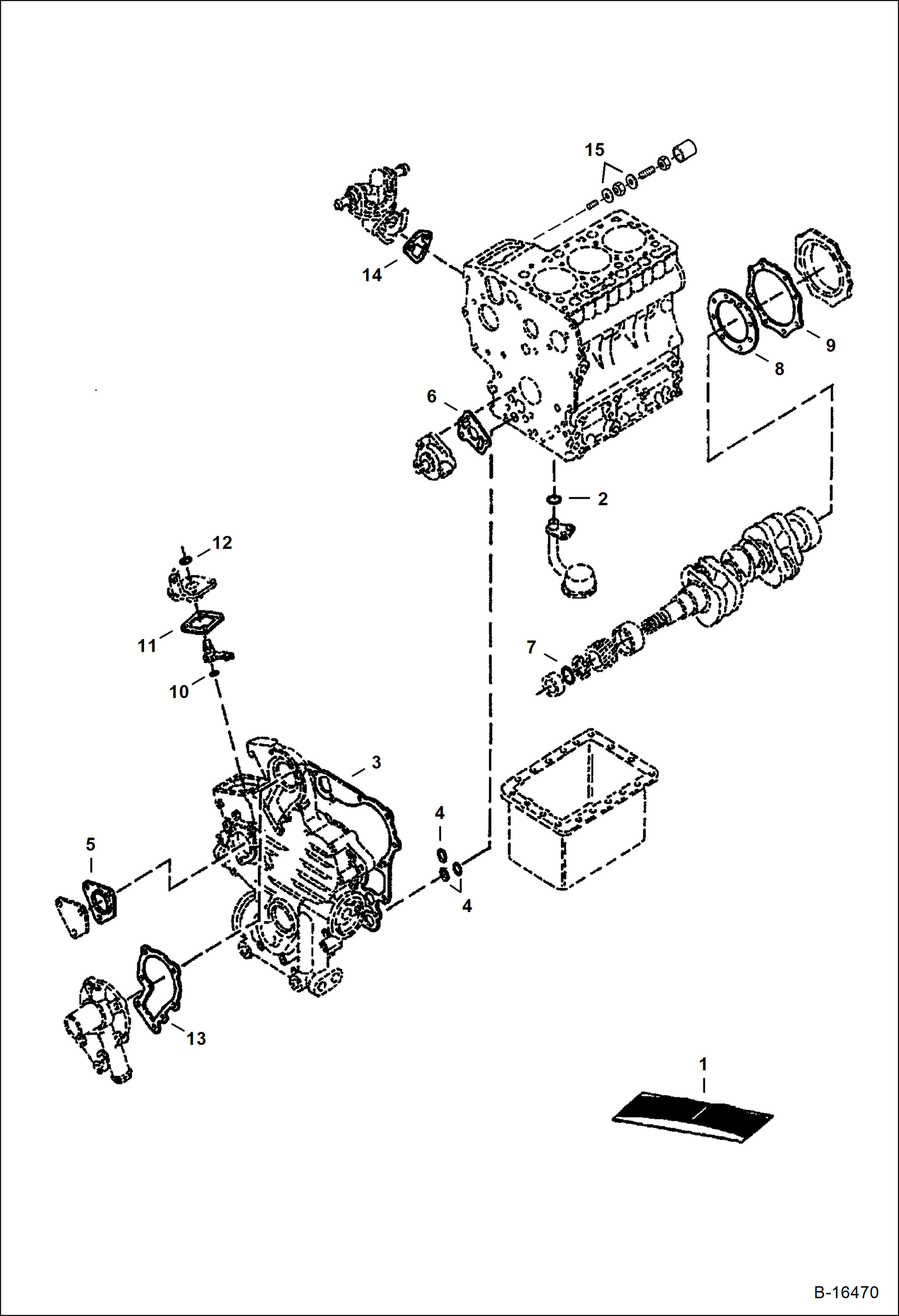
1

6672740

LOWER GASKET KIT Lower - W/Ref. 2-14

2

3966516

O RING oil pick-up tube

3

6670356

GASKET gearcase

4

6599081

O-RING gearcase

5

6670363

GASKET front cover

6

6670341

GASKET oil pump

7

6670415

O-RING crankshaft

8

6670377

GASKET rearcover

9

7000494

GASKET rear cover - Was 6670379 - A

10

3974280

O RING speed control lever

11

6670457

GASKET speed control plate

12

6670459

O-RING speed control lever

13

7000377

GASKET, PUMP WATER water pump - Was 6670509 - A

14

6670782

GASKET fuel pump

15

3974095

MET-GASK adjusting bolt

Выбрано товаров: 15