Запчасти Bobcat 316 HYDRAULIC CIRCUITRY Auxiliary HYDROSTATIC/HYDRAULIC

Схема запчастей Bobcat 316 - HYDRAULIC CIRCUITRY Auxiliary HYDROSTATIC/HYDRAULIC
FIT
1:1
100%

Артикул

Название

Примечание

Количество

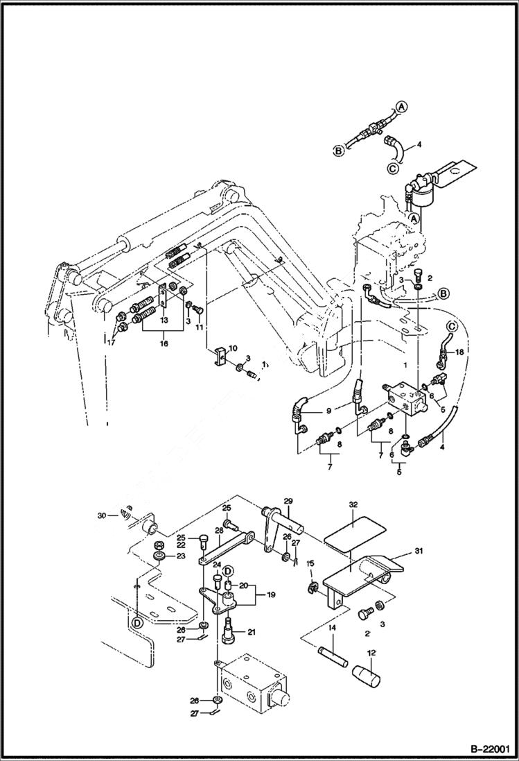
1

NTS5-61000

CONTROL VALVE

2

0102-08025-A

BOLT M8x25

3

0389-08000-A

WASHER M8 - Was 0102-08000-A - A

4

0778-06050-A

HOSE

5

0602-06006-X

ELBOW W/Ref. 6

6

6655250

O-RING Was 0490-00014-B - A

7

0600-06006-X

CONNECTOR W/Ref. 8

8

6655250

O-RING Was 0490-00014-B - A

9

0778-06170-N

HOSE Was 0794-06170-N - A

10

NTS5-10017

CLAMP

12

870-00008

GRIP

13

BRACKET NLA - Order NTS5-10018-0 - Was NTS5-10015-A - A

13

NTS5-10018-0

BRACKET

14

NTS4-17101

PIN lock

15

0447-00800-0

E-RING

16

0572-06006-O

CONNECTOR

17

0549-06000-X

PLUG

18

0790-06040-A

HOSE

19

NTS4-17800

CRANK valve

20

0480-14010

BUSHING

21

NTS4-10079

PIN crank

22

0251-10000-A

NUT

23

0389-10000-A

WASHER

24

NTS4-10084

PIN clevis

25

NTS4-10085

PIN clevis

26

0383-05000-A

WASHER

27

0420-25020-O

PIN split

28

NTS4-17700

LINK

29

NTS4-17400

SHAFT

30

0445-01600-0

RING, RETAINING Was 0445-01600-O - A

31

NTS4-17110

PTO PEDAL

32

NTS4-10073

SEAT nonslip

Выбрано товаров: 32