Запчасти Bobcat 316 HYDROSTATIC CIRCUITRY Upper Frame HYDROSTATIC/HYDRAULIC

Схема запчастей Bobcat 316 - HYDROSTATIC CIRCUITRY Upper Frame HYDROSTATIC/HYDRAULIC
FIT
1:1
100%

Артикул

Название

Примечание

Количество

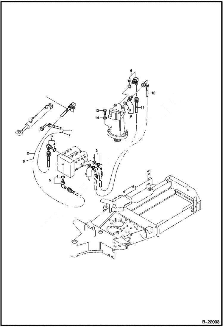
1

0794-04046-N

HOSE Was 0794-04055-O - B

2

0794-04065-N

HOSE Was 0794-04060-N - A

3

0602-04004-X

ELBOW W/Ref. 4

4

0490-00011-B

O-RING

5

0601-04004-X

ELBOW W/Ref. 6

6

0602-08004-X

ELBOW W/Ref. 10

7

0794-04055-N

HOSE

8

0794-04060-N

HOSE

9

0600-08004-X

CONNECTOR W/Ref. 10

10

6655245

O-RING Was 0490-00018-B - A

11

0783-04062-O

HOSE

12

0794-04071-0

HOSE Was 0794-04071-O - A

13

0103-10040-A

BOLT M10x40 - Was 0211-10040-A - A

14

0389-10000-A

WASHER M10

Выбрано товаров: 14