Запчасти Bobcat 316 ELECTRICAL CIRCUITRY ELECTRICAL SYSTEM

Схема запчастей Bobcat 316 - ELECTRICAL CIRCUITRY ELECTRICAL SYSTEM
FIT
1:1
100%

Артикул

Название

Примечание

Количество

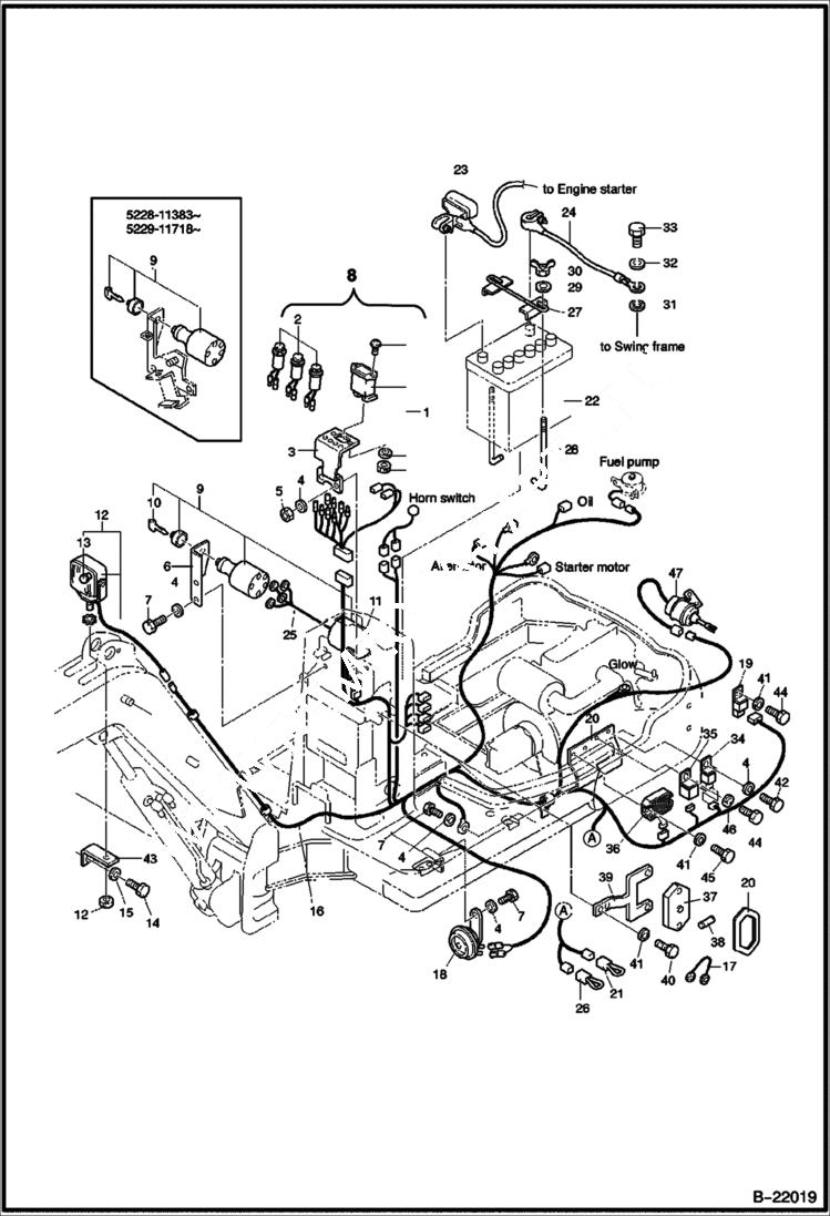
1

6664886

HOURMETER Was NTS4-14900 - A

2

NTS4-15000

LAMP

3

NTS4-10066-1

BRACKET

4

0389-08000-A

WASHER

5

0251-08000-A

NUT

6

NTS4-10065

BRACKET

7

0102-08015-A

BOLT Was 0102-08012-A - A

8

S083-00098

PANEL W/Ref 1-3

9

HARNESS NLA - key switch - W/Ref 10 & 11 - Was NTS4-14700 - A

9

S0830010000

KEY SWITCH ASMBLY assy - W/Ref 10 & 11

10

41307-00007

IGNITION KEY

11

NTS4-10048

COVER

12

NTS2-72000

LIGHT

13

BULB

14

0211-12020-A

BOLT

15

0389-12000-A

WASHER

16

HARNESS NLA - Was NTS7-00100 - A

16

S083-00097

HARNESS

17

HARNESS

18

466-02002

HORN

19

40901-04160

RELAY

20

NTS7-00002

BRACKET

20

NTS7-00002-A

BRACKET

21

7123-4123-30

FUSIBLE LINK

22

NTS2-71000

BATTERY

23

NTS2-31200

BATTERY CABLE

24

40901-00003

BATTERY CABLE

25

S083-00099

HARNESS assy

26

7123-6026-60

LINK

27

NTS2-30700

WASHER

28

NTS2-30010

CLAMP battery

29

0387-06000-A

WASHER

30

0276-06000-A

WING NUT Was 0311-06000-A - A

31

0388-10000-A

WASHER

32

0389-10000-A

WASHER

33

0102-10020-A

BOLT Was 0211-10020-A - A

34

15694-65992

TIMER solenoid

35

T0070-31411

TIMER lamp

36

6693106

REGULATOR Was RP201-53711 - A

37

MM201182

FUSE BOX

38

0850-00010-0

FUSE

39

NTS7-00001

BRACKET

40

0102-06012-A

BOLT

41

0389-06000-A

WASHER

42

0102-08012-A

BOLT M8x12

43

10-030010

BRACKET

44

0102-06015-A

BOLT M6x15

45

0102-06025-A

BOLT

46

NTS2-60062

SEAT fuse box

47

STOP SOLENOID

Выбрано товаров: 50