Качественные детали и логистика
Оригинальные и аналоговые запчасти с доставкой по России, Казахстану и Беларуси
©2022 PartSell ООО "Система" ИНН 2463123282 ОГРН 1212400004838
Центральный офис: г. Красноярск, Академика Киренского, д.87, пом.4
Телефон: 8 (800) 777-65-74 Email: zakaz@partsell.ru
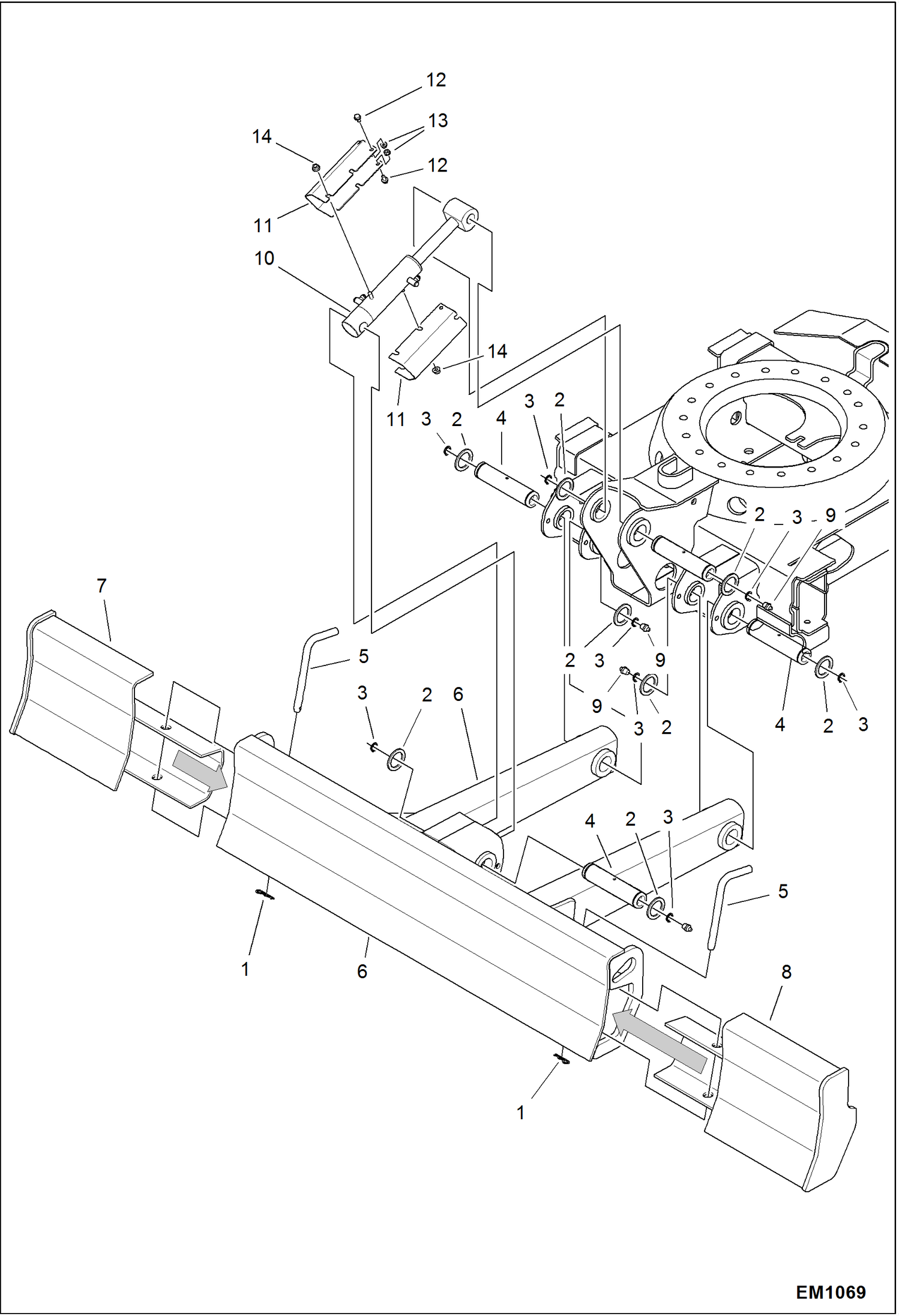
BLADE
№
Артикул
Название
Примечание
Количество
1
1306637
CLIP
2
6589699
WASHER
3
22J19
SNAP RING
4
6805134
PIN
5
6805445
6
7138226
BLADE Was 7115040 - A
7
7139266
BLADE, RH Was 7115041 - A
8
7139273
BLADE, LH Was 7115042 - A
9
10H25
FITTING, GREASE 5
10
7103256
CYL ASSY 319 BLADE See Illustration BLADE CYLINDER/ EM1687
11
7104184
SHIELD CYL
12
29CM816
SCREW
13
43DM8
NUT
14
43DM10
Выбрано товаров: 0