Качественные детали и логистика
Оригинальные и аналоговые запчасти с доставкой по России, Казахстану и Беларуси
©2022 PartSell ООО "Система" ИНН 2463123282 ОГРН 1212400004838
Центральный офис: г. Красноярск, Академика Киренского, д.87, пом.4
Телефон: 8 (800) 777-65-74 Email: zakaz@partsell.ru
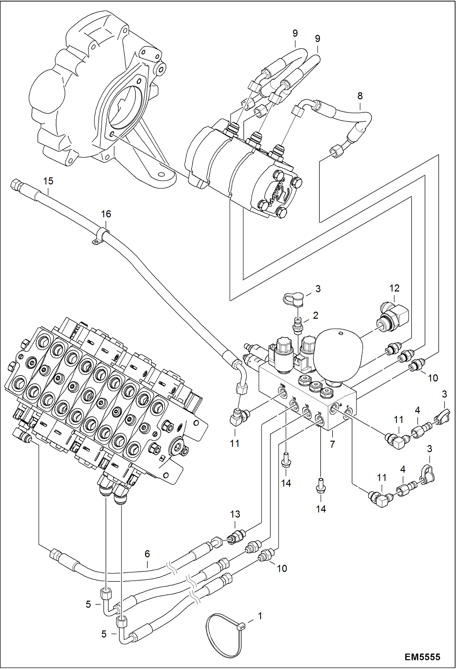
HYDRAULIC CIRCUITRY (Manifold Installation - W/Manifold #7167744)
№
Артикул
Название
Примечание
Количество
1
6624289
STRAP, TIE
2
6630168
COUPLER
3
6630367
CAP
4
6661753
PLUG
5
7109368
HOSE ASSY
6
7109370
7
7167744
MANIFOLD ASSY
8
7168126
HOSE, HYD
9
7169251
10
15KB0606
FITTING, HYD CONNECTOR W/ O-ring - W/Ref. 15
11
17KB0606
FITTING W/ O-ring - W/Ref. 15
12
17KB1212
FITTING, HYD ELBOW W/Ref. 16
13
18KB0606
FITTING, HYD ELBOW W/ O-ring - W/Ref. 15
14
29CM820
SCREW
15
79K6
O RING 10
16
79K12
17
7175441
HOSE ASSY For one speed drive motors
18
30H34
CLAMP For one speed drive motors
Выбрано товаров: 0