Качественные детали и логистика
Оригинальные и аналоговые запчасти с доставкой по России, Казахстану и Беларуси
©2022 PartSell ООО "Система" ИНН 2463123282 ОГРН 1212400004838
Центральный офис: г. Красноярск, Академика Киренского, д.87, пом.4
Телефон: 8 (800) 777-65-74 Email: zakaz@partsell.ru
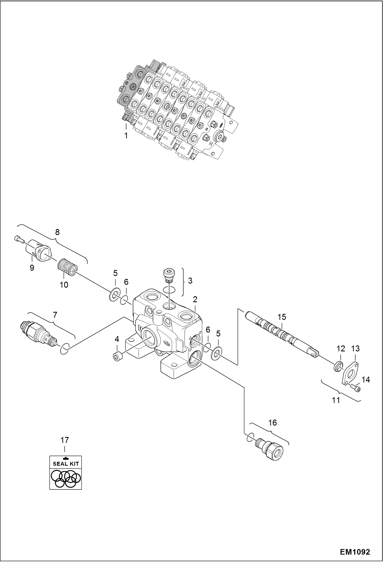
VALVE SECTION (RH Travel)
№
Артикул
Название
Примечание
Количество
1
6979430
VALVE W/Ref. 2-18
2
6693134
KIT W/Ref. 3-7
3
6680092
VALVE, LOCK LOAD
4
6979479
PLUG
5
6680095
WASHER
6
6680094
O-RING
7
BLOCK NLA - Order Ref. 2
8
6680068
KIT W/Ref. 9-10
9
6679496
END CAP
10
7015356
SPRING ASSY
11
6680097
KIT
12
6679912
SEAL
13
6679911
SLEEVE
14
6680071
SCREW
15
6693122
H2H03/SDS100 SPOOL
16
6693139
GF/SDS100-SAE6 INLET JOINT
17
6979481
VALVE
18
6979438
SEAL KIT
Выбрано товаров: 0