Качественные детали и логистика
Оригинальные и аналоговые запчасти с доставкой по России, Казахстану и Беларуси
©2022 PartSell ООО "Система" ИНН 2463123282 ОГРН 1212400004838
Центральный офис: г. Красноярск, Академика Киренского, д.87, пом.4
Телефон: 8 (800) 777-65-74 Email: zakaz@partsell.ru
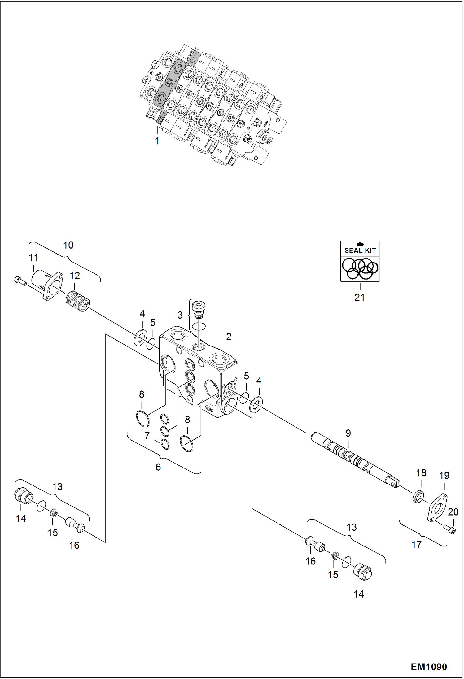
VALVE SECTION (Offset)
№
Артикул
Название
Примечание
Количество
1
6979431
VALVE W/Ref. 2-22
2
6693129
KIT W/Ref. 2-9
3
BLOCK NLA - Order Ref. 2
4
6680095
WASHER
5
6680094
O-RING
6
6680092
VALVE, LOCK LOAD
7
6680066
KIT between sections - W/Ref. 8-9
8
O-RING NLA - Order Ref. 7
9
10
6680068
KIT W/Ref. 11-12
11
6679496
END CAP
12
7015356
SPRING ASSY
13
6680247
VALVE W/Ref. 14-16
14
6686241
PLUG
15
7015357
SPRING
16
7015358
SPOOL
17
6680097
KIT W/Ref. 18-20
18
6679912
SEAL
19
6679911
SLEEVE
20
6680071
SCREW
21
7015394
22
6979439
SEAL KIT
Выбрано товаров: 0