Запчасти Bobcat 319 VALVE SECTION (Auxilary) HYDRAULIC SYSTEM

Схема запчастей Bobcat 319 - VALVE SECTION (Auxilary) HYDRAULIC SYSTEM
FIT
1:1
100%

Артикул

Название

Примечание

Количество

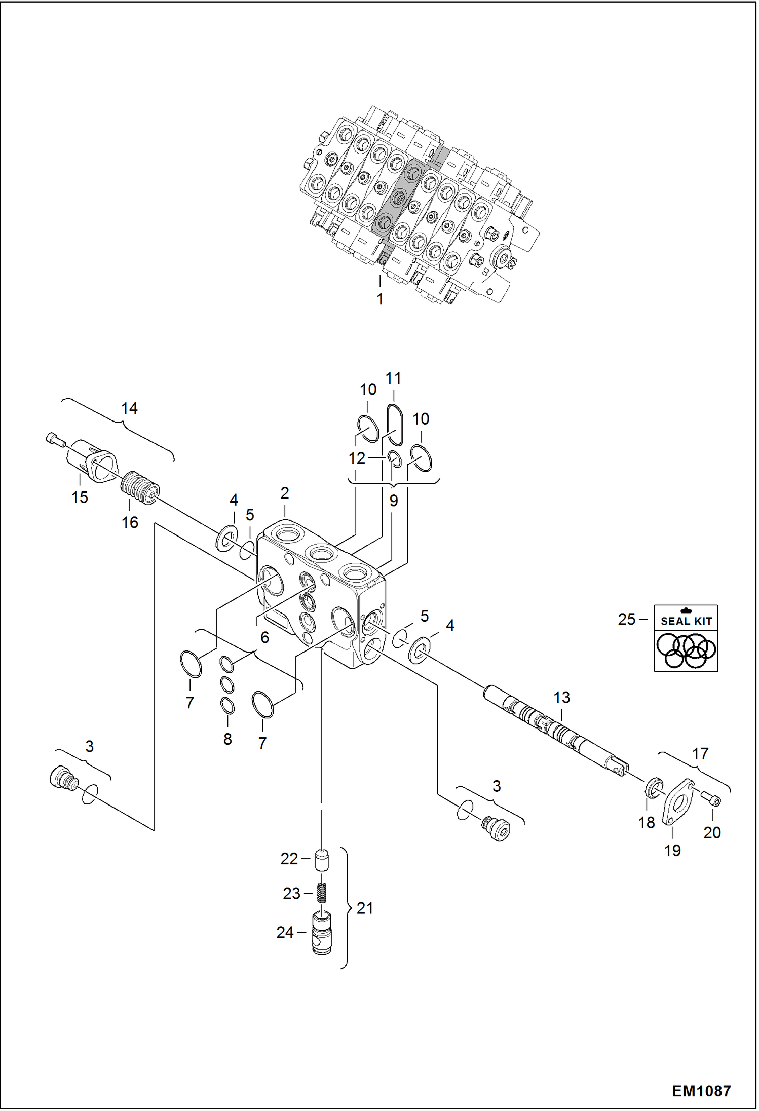
1

6979433

VALVE W/Ref. 2-26

2

6693133

KIT W/Ref. 3-13

3

BLOCK NLA - Order Ref. 2

4

6680095

WASHER

5

6680094

O-RING

6

6680066

KIT between sections - W/Ref. 7-8

7

O-RING NLA - Order Ref. 6

8

O-RING NLA - Order Ref. 6

9

6680092

VALVE, LOCK LOAD

10

6680064

KIT between sections - W/Ref. 11-13

11

O-RING NLA - Order Ref. 10

12

O-RING NLA - Order Ref. 10

13

O-RING NLA - Order Ref. 10

14

6680068

KIT W/Ref. 15-16

15

6679496

END CAP

16

7015356

SPRING ASSY

17

6680097

KIT W/Ref. 18-20

18

6679912

SEAL

19

6679911

SLEEVE

20

6680071

SCREW

21

6680091

VALVE ASSY W/Ref. 22-24

22

7015365

SPOOL

23

7015366

SPRING

24

7015367

PLUG

25

6693127

A101/SDS100 322J AUX SPOOL

26

6979441

SEAL KIT

Выбрано товаров: 26