Качественные детали и логистика
Оригинальные и аналоговые запчасти с доставкой по России, Казахстану и Беларуси
©2022 PartSell ООО "Система" ИНН 2463123282 ОГРН 1212400004838
Центральный офис: г. Красноярск, Академика Киренского, д.87, пом.4
Телефон: 8 (800) 777-65-74 Email: zakaz@partsell.ru
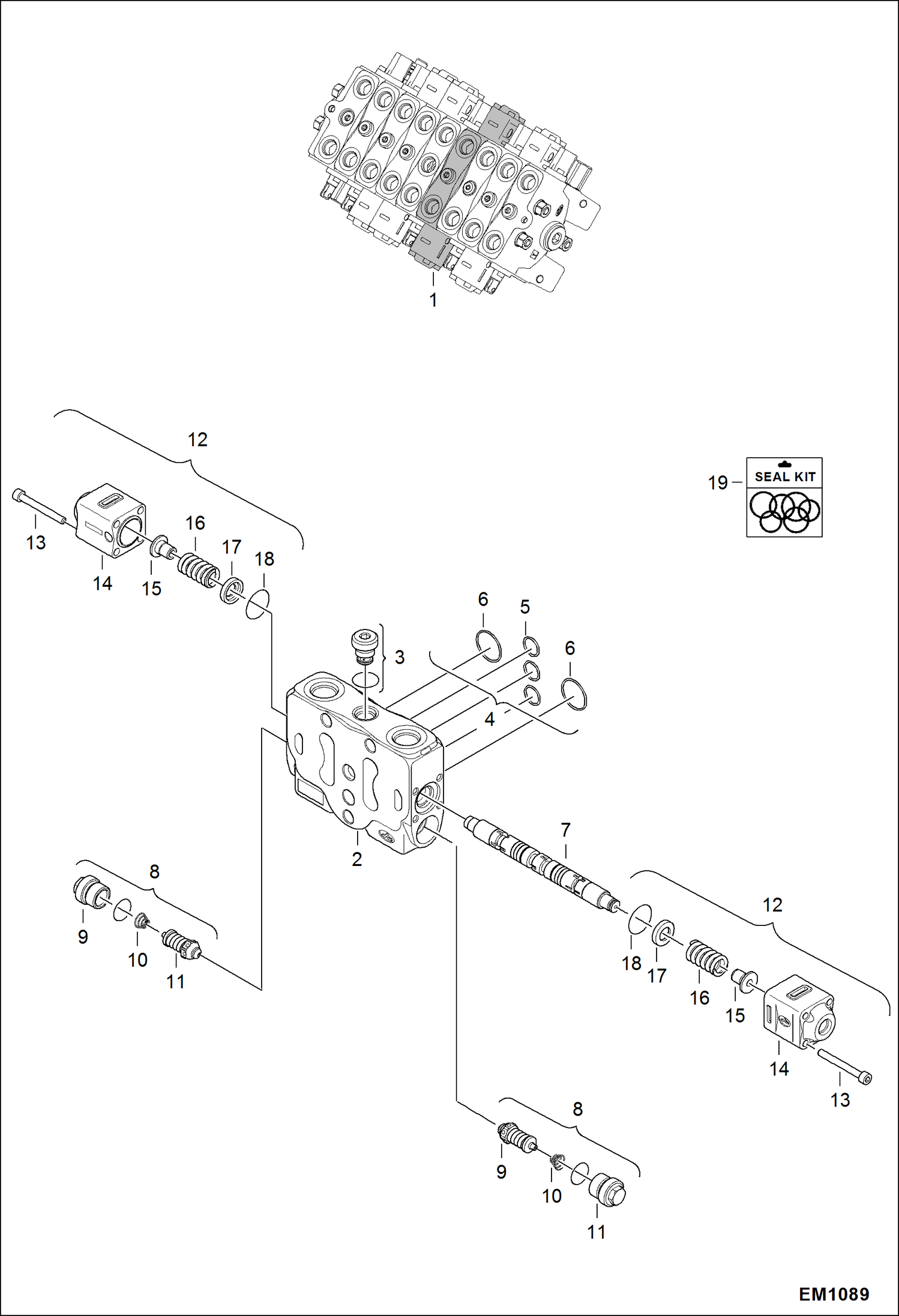
VALVE SECTION (Boom)
№
Артикул
Название
Примечание
Количество
1
6979434
VAVLE W/Ref. 2-20
2
6693132
KIT W/Ref. 3-7
3
BLOCK
4
6680092
VALVE, LOCK LOAD
5
6680066
KIT between sections - W/Ref.6-7
6
O-RING NLA - Order Ref. 5
7
8
6693137
KIT W/Ref. 9-11
9
6686241
PLUG
10
7015357
SPRING
11
7015364
SPOOL
12
6688427
KIT W/Ref. 13-18
13
6682248
SCREW
14
7015360
CAP
15
7015361
BUSHING
16
7015362
17
7015363
18
O-RING NLA - Order Ref. 20
19
7015395
20
6979442
SEAL KIT
Выбрано товаров: 0