Запчасти Bobcat 319 VALVE SECTION (Slew) HYDRAULIC SYSTEM

Схема запчастей Bobcat 319 - VALVE SECTION (Slew) HYDRAULIC SYSTEM
FIT
1:1
100%

Артикул

Название

Примечание

Количество

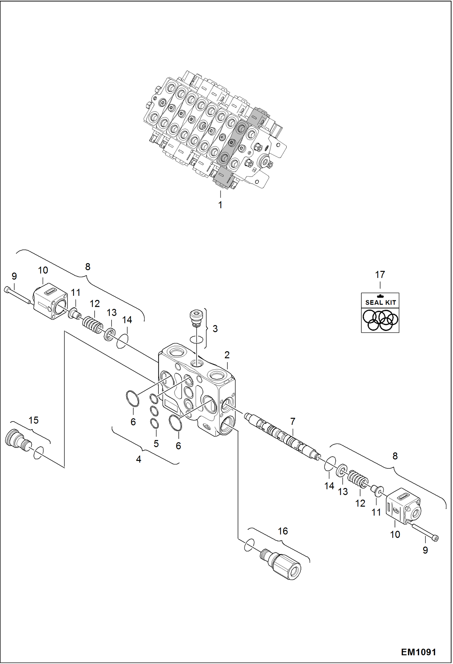
1

6979436

VALVE W/Ref. 2-18

2

6693130

KIT W/Ref.3-7

3

BLOCK NLA - Order Ref. 2

4

6680092

VALVE, LOCK LOAD

5

6680066

KIT between sections - W/Ref.6-7

6

O-RING NLA - Order Ref. 5

7

O-RING NLA - Order Ref. 5

8

6688427

KIT W/Ref. 9-14

9

6682248

SCREW

10

7015360

CAP

11

7015361

BUSHING

12

7015362

SPRING

13

7015363

BUSHING

14

O-RING NLA - Order Ref. 18

15

6680057

PLUG

16

6693139

GF/SDS100-SAE6 INLET JOINT

17

6693125

I124/SDS100 319 SLEW SPOOL

18

6679444

SEAL KIT

Выбрано товаров: 18