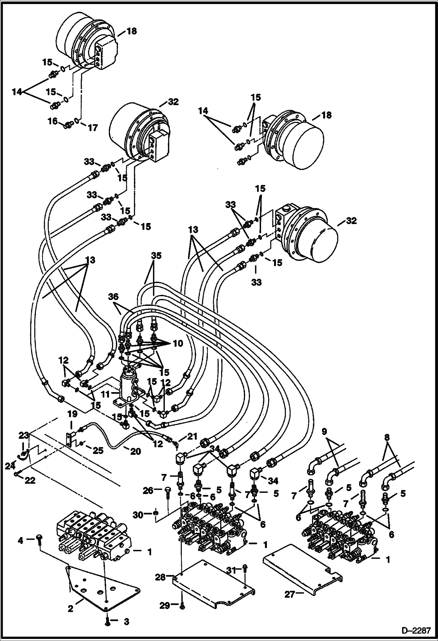
Запчасти Bobcat 320 HYDRAULIC CIRCUITRY (Valve to Travel Motors) HYDRAULIC SYSTEM

Схема запчастей Bobcat 320 - HYDRAULIC CIRCUITRY (Valve to Travel Motors) HYDRAULIC SYSTEM
FIT
1:1
100%

Артикул

Название

Примечание

Количество

1

6661592

VALVE See Illustration CONTROL VALVE ASSEMBLY/ D2099 See BTIE-049 6-spool

1

6665003

VALVE See Illustration CONTROL VALVE ASSEMBLY/ D2266 6-spool

2

6586860

PLATE Mounting

3

2C512

SCREW

4

29CM1030

BOLT

5

743108

FITTING W/Ref. 6

6

79K8

O RING 10

7

16KB0608

FITTING, HYD CONNECTOR W/Ref. 6 - Was 6587170 - A

8

HOSE See BTIE-043 NLA - Order Ref. 35 - Was 6530892 - A

9

HOSE See BTIE-043 NLA - Order Ref. 36 - Was 6587280 - A

10

6654377

ADAPTER Use with Swivel Joint 6658956

10

15K5

FITTING W/Ref. 15 - Used with Swivel Joint 6664409

11

6658956

SWIVEL JOINT See Illustration SWIVEL JOINT/ B20001 Use with Swivel Joint 6658956

11

6664409

SWIVEL JOINT See Illustration SWIVEL JOINT/ B14077 Use with Swivel Joint 6664409

12

6654378

ELBOW Use with Swivel Joint 6658956

12

17K5

ELBOW W/Ref. 15 - Used with Swivel Joint 6664409

13

HOSE See BTIE-043 NLA - Was 6535444 - A

14

6654375

ADAPTER W/Ref. 15

15

79K6

O RING 10

16

6654895

ADAPTER W/Ref. 16

17

6655244

O-RING

18

MOTOR See Illustration TRAVEL MOTOR/ D1922 NLA - travel - Can be replace by Ref. 32, but must replace both motors, also order (6) of Ref. 33 - Was 6651892 - A

19

6586104

PLATE

20

6587516

HOSE

21

84F3

FITTING, HYD ELBOW

22

29CM1025

BOLT

23

10H25

FITTING, GREASE 5 Grease

24

6652943

COVER grease fitting

25

49DM10

NUT

26

1CM1050

SCREW

27

6589979

PLATE Mounting

28

6595476

PLATE Mounting

29

1CM1030

BOLT

30

1DM10

NUT

31

29CM1035

SCREW

32

6667336

MOTOR See Illustration TRAVEL MOTOR/ B14478 Drive

33

15K5

FITTING W/Ref. 15

34

11K5

FITTING

35

6700024

HOSE

36

6539841

HOSE

Выбрано товаров: 40