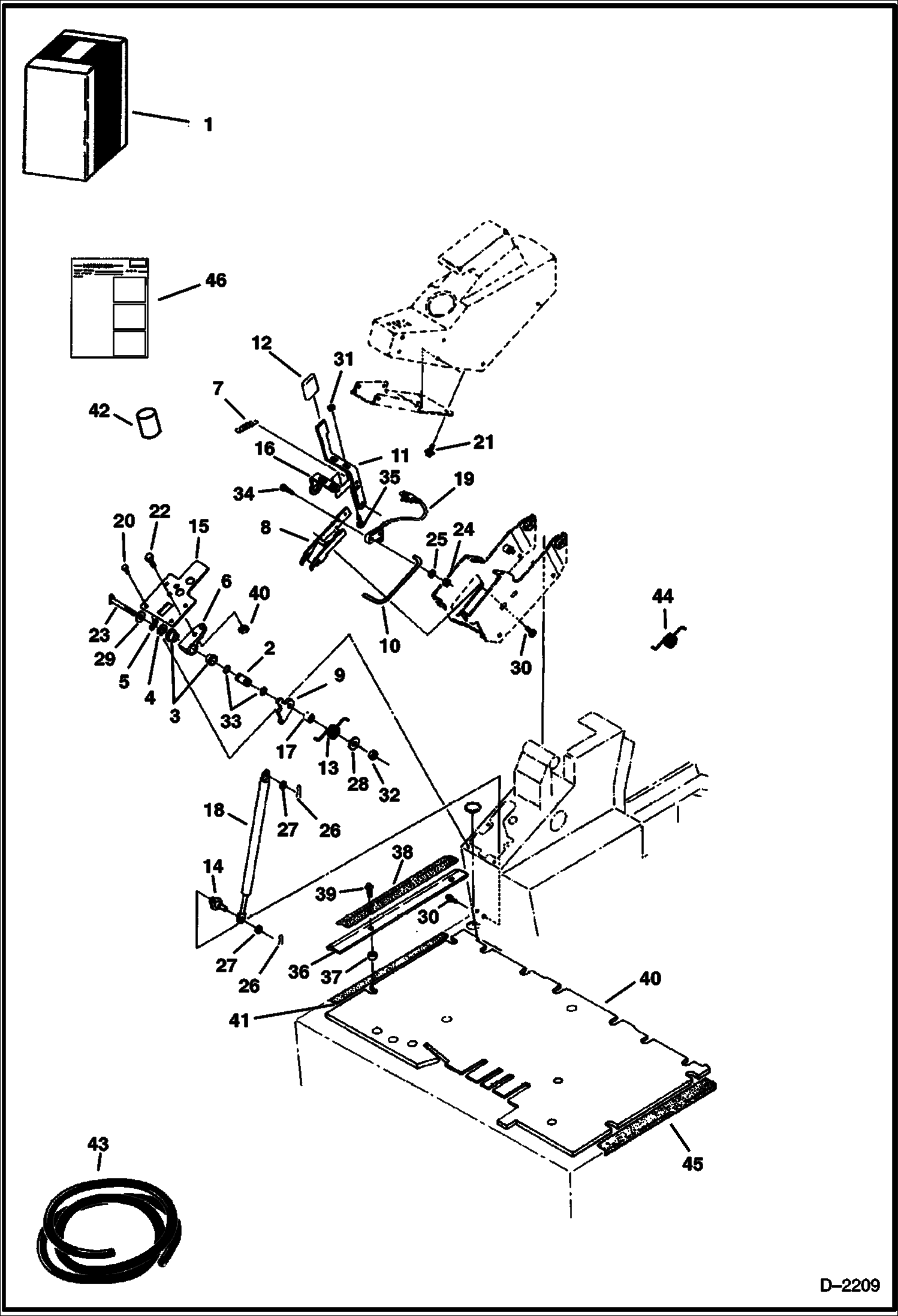
Запчасти Bobcat 320 RIGHT HAND ENTRY KIT ACCESSORIES & OPTIONS

Схема запчастей Bobcat 320 - RIGHT HAND ENTRY KIT ACCESSORIES & OPTIONS
FIT
1:1
100%

Артикул

Название

Примечание

Количество

1

6801740

KIT R.H. Entry - W/Refs. 2-44 - SEE NOTE - Was 6589026 - A

2

6536545

SLEEVE

3

6536801

BUSHING

4

6536802

WASHER

5

6536803

WASHER Wave

6

6537481

MOUNT

7

6563128

SPRING

8

6586850

BRACKET

9

6586853

LATCH

10

6586854

ROD

11

6589384

LEVER Was 6586855 - A

12

6586856

GRIP

13

6586868

SPRING

14

6589879

PIVOT Was 6586967 - A

15

6594859

PLATE Was 6587030 - A

16

6589383

SUPPORT Was 6587078 - A

17

6587357

BUSHING

18

6655965

CYLINDER Gas Spring

19

6661150

SWITCH, ROLLER MICRO

20

6589675

SCREW Was 1CM00612B - B

21

26GM8016

SCREW Was 1CM00816B - B

22

1CM1025

BOLT

23

1CM1080

BOLT

24

12D6

NUT 10

25

12E6

WASHER

26

13JM20025

COTTERPIN

27

15EM100

WASHER

28

17EM100

WASHER

29

27E6

WASHER 5

30

29CM812

BOLT Was 29CM00812B - A

31

43DM8

NUT Was 42DM00008B - A

32

53DM10

NUT Was 49DM00010B - A

33

58K015

O-RING 10

34

85G616

SCREW 10

35

21CM820

BOLT Carriage

36

6588250

ANGLE

37

6503451

SPACER

38

6593245

TREAD

39

29CM1030

BOLT

40

6588249

FLOORMAT

41

6807327

SAFETY TREAD

42

COVER NLA - 5.5'' (140mm) long - Order Ref. 43

43

6649389

HOSE COVER Bulk - Sold Per Foot

44

6807215

SPRING

45

6588953

TREAD

46

6722779

INSTRUCTIONS - Was 6722799 - D

Выбрано товаров: 46