Запчасти Bobcat 320 FUEL SYSTEM POWER UNIT

Схема запчастей Bobcat 320 - FUEL SYSTEM POWER UNIT
FIT
1:1
100%

Артикул

Название

Примечание

Количество

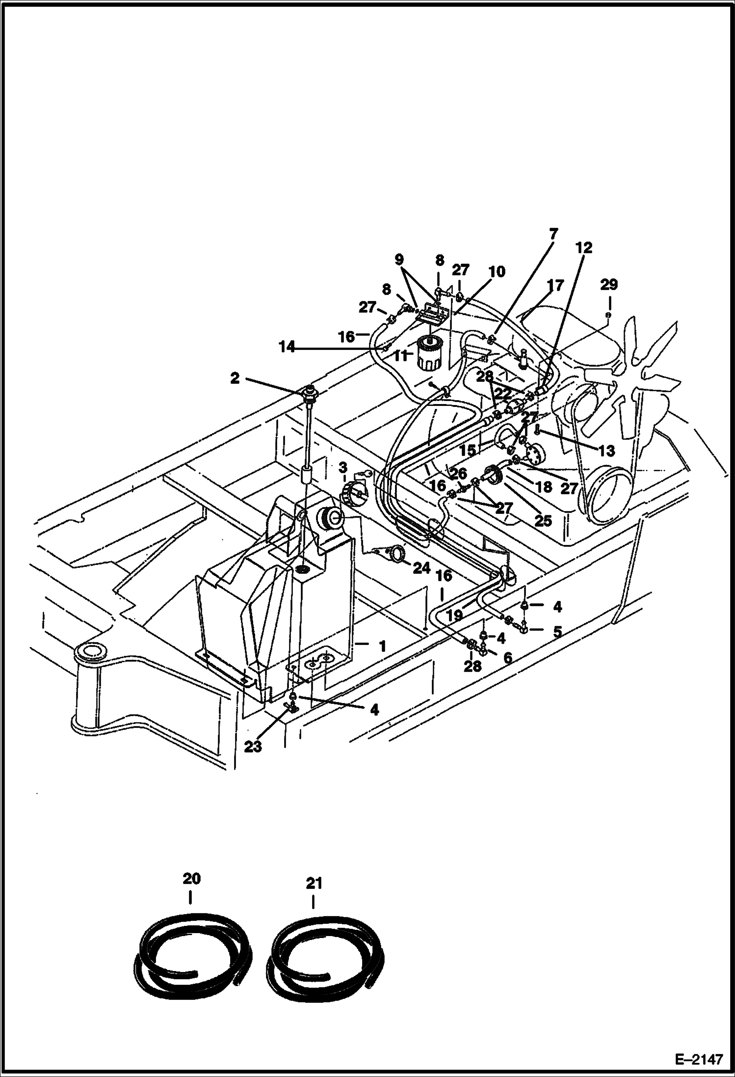
1

6589122

TANK Fuel

2

7216515

SENSOR, FUEL Fuel - Was 6680451 - A

2

79K14

O RING 10

3

6665423

CAP Was 6661114 - A

4

6553411

BUSHING 0.38'' ID

5

6630041

ELBOW

6

6553412

ELBOW

7

42HS04

CLAMP, HOSE Was 6515575 - A

8

6715183

ELBOW W/Ref. 9 - check boss face to determine correct replacement o-ring - Was 6657083 - A

9

79K5

O RING 10 flat boss face

9

99K5

O-RING tapered boss face

10

6667353

FILTER ASSY W/Ref. 11

10

6658180

PLUG, BLEED

11

6667352

FILTER, FUEL W/SEPARATOR 12

12

30H37

CLAMP Was 30H000031B - D

13

1CM830

BOLT Was 1CM01060B - D

14

26GM8016

SCREW

15

6801132

HOSE

16

HOSE NLA - 23'' long (584 mm) - Order Ref. 20

17

HOSE NLA - 16'' long (406 mm) - Order Ref. 20

18

6801245

HOSE

19

HOSE NLA - 70'' long (1778 mm) - Order Ref. 21

20

6577822

HOSE bulk - sold per foot

21

6578169

HOSE bulk - sold per foot - 0.19'' ID - Was 6577828 - B

22

6667170

PUMP 193 mm (7.6'') long - Was 6657734 - B

23

6663951

VALVE Shut-Off

24

6595036

SCREEN Fuel - Not Supplied W/Excavator Available Thru Chicago Parts Only

25

GROMMET Was 565073 - A

26

6801794

CONNECTOR

27

5HM14

CLAMP

28

5HM15

CLAMP

29

1DM8

NUT

Выбрано товаров: 32