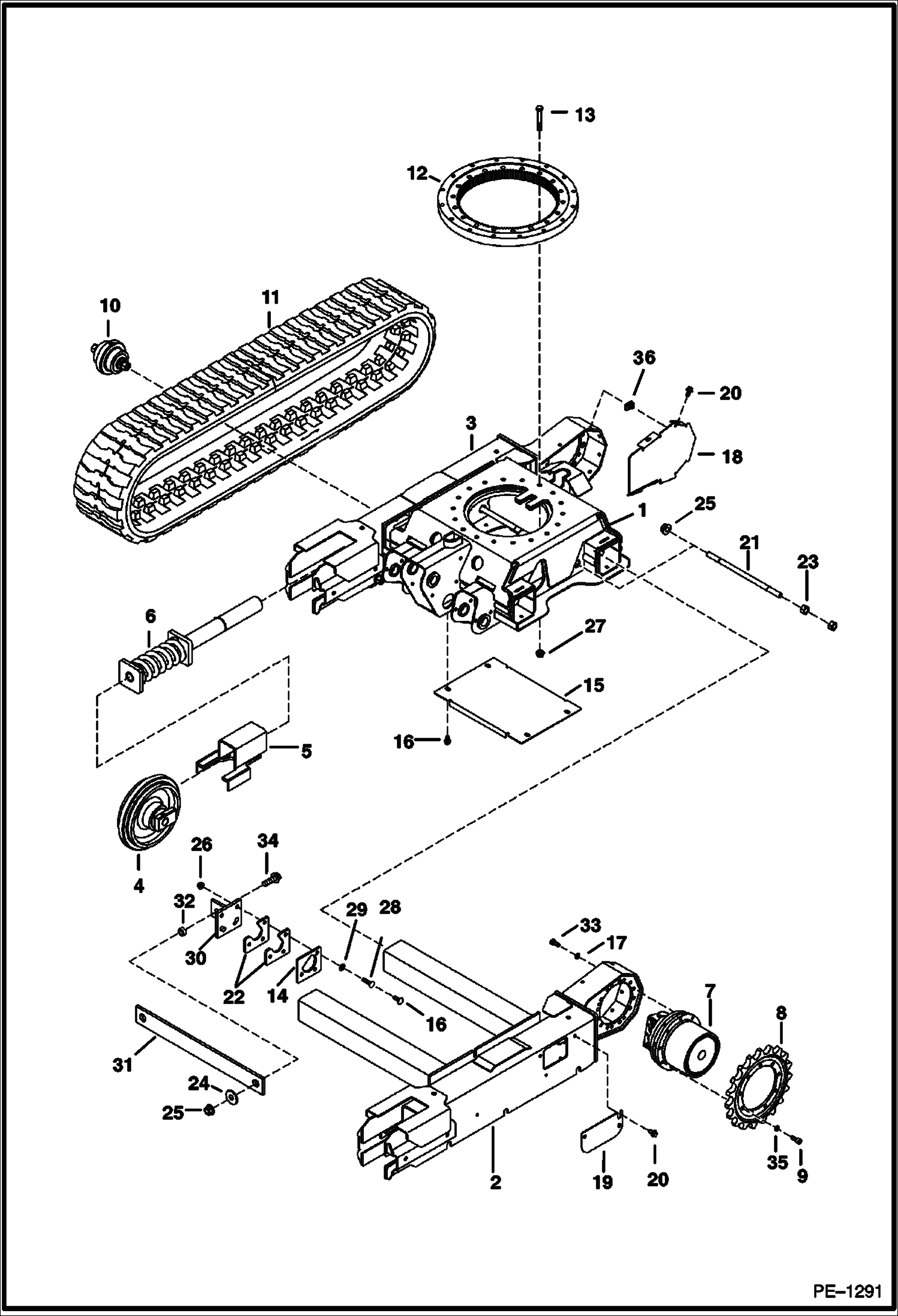
Запчасти Bobcat 320 UNDERCARRIAGE UNDERCARRIAGE

Схема запчастей Bobcat 320 - UNDERCARRIAGE UNDERCARRIAGE
FIT
1:1
100%

Артикул

Название

Примечание

Количество

1

6804995

FRAME

2

6804993

FRAME LH

3

6804994

FRAME RH

4

IDLER See Illustration FRONT IDLER/ PE1286

5

6805720

YOKE

6

SPRING ASSY. See Illustration RECOIL SPRING/ PE2600 - recoil

7

6667336

MOTOR See Illustration TRAVEL MOTOR/ B14478 - drive

8

6801584

SPROCKET

9

6805750

SCREW

10

6805219

ROLLER See Illustration TRACK ROLLER/ C3143 - track

11

TRACK, RUBBER See Illustration TRACKS/ NA6211

11

TRACK, STEEL See Illustration TRACKS/ PE2456

12

6674671

RING, SLEW

13

7CM1280

BOLT

14

6805377

MOUNT Use on 322 only

15

7106195

COVER Was 6805051 - A

16

28CM1030

BOLT

17

6EM100

WASHER

18

6802562

COVER

19

6596723

COVER

20

26GM10020

BOLT

21

6805050

ROD Use on 322 only

22

6805378

MOUNT Use on 322 only

23

1DM16

NUT Use on 322 only

24

17EM160

WASHER Use on 322 only

25

51DM16

NUT

26

51DM10

NUT

27

51DM12

NUT

28

28CM1040

BOLT Use on 322 only

29

6674264

RETAINER NUT

30

6805956

MOUNT

31

6805959

LINK

32

6805960

BUSHING

33

7140538

SCREW Was 53CM1025 - B

34

29CM1650

BOLT

35

6808312

WASHER

36

6676169

NUT

Выбрано товаров: 37