Качественные детали и логистика
Оригинальные и аналоговые запчасти с доставкой по России, Казахстану и Беларуси
©2022 PartSell ООО "Система" ИНН 2463123282 ОГРН 1212400004838
Центральный офис: г. Красноярск, Академика Киренского, д.87, пом.4
Телефон: 8 (800) 777-65-74 Email: zakaz@partsell.ru
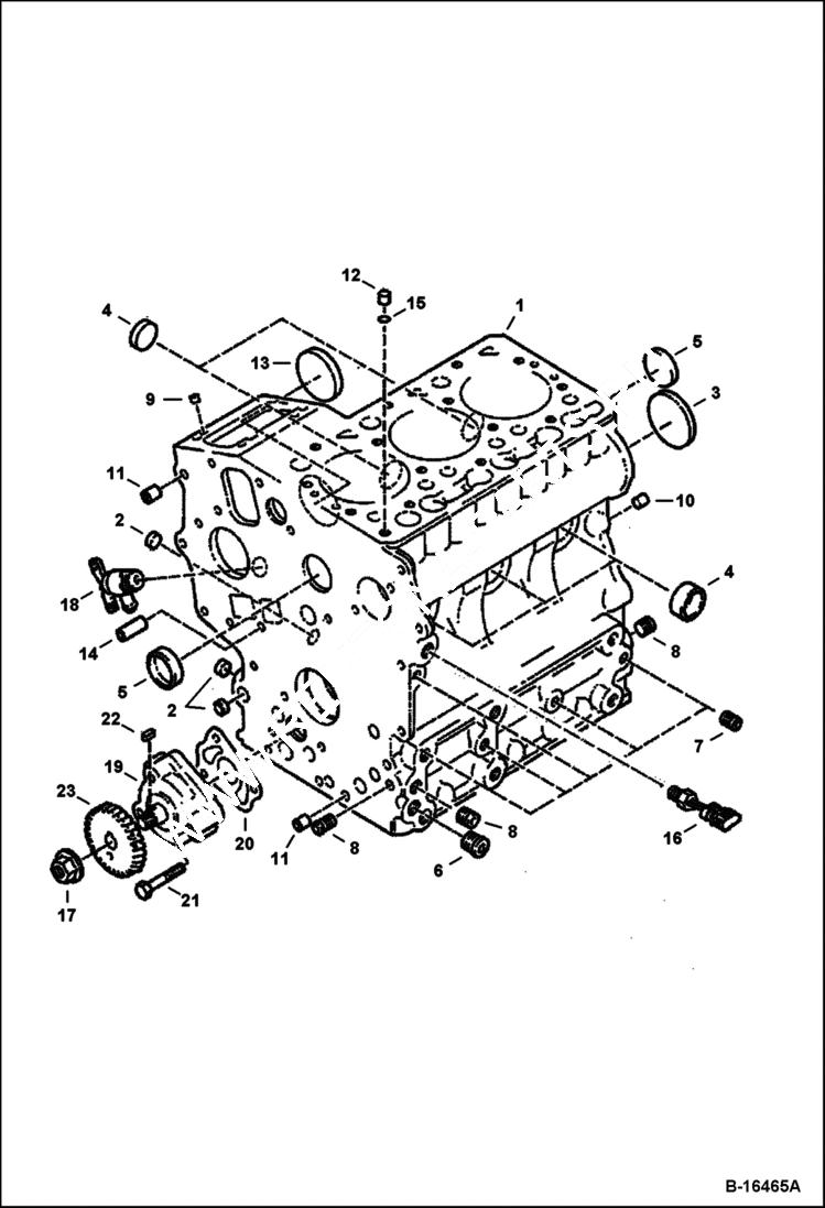
CRANKCASE (Kubota D722-E2B-BC-1)
№
Артикул
Название
Примечание
Количество
1
6688365
CRANKCASE W/Ref. 2-14
6599985
LINER
7016962
BLOCK, ENG
2
6670337
PLUG
3
6652573
4
6670338
5
6657431
CAP
6
6652575
7
6598116
PLUG Was 6652797 - A
8
6652574
9
6657423
PIN
10
21JM814
PIN dowel
11
3974039
12
3974037
13
6670339
14
6670344
15
3974038
O RING - included W/upper gasket kit
16
6676053
SWITCH oil pressure
6671058
ADAPTER
17
6670343
NUT
18
6657456
DRAINCOCK
19
6670340
OIL PUMP
20
6670341
GASKET - included w/lower gasket kit
21
6683010
BOLT
22
15JM48
KEY
23
6670342
GEAR
Выбрано товаров: 0