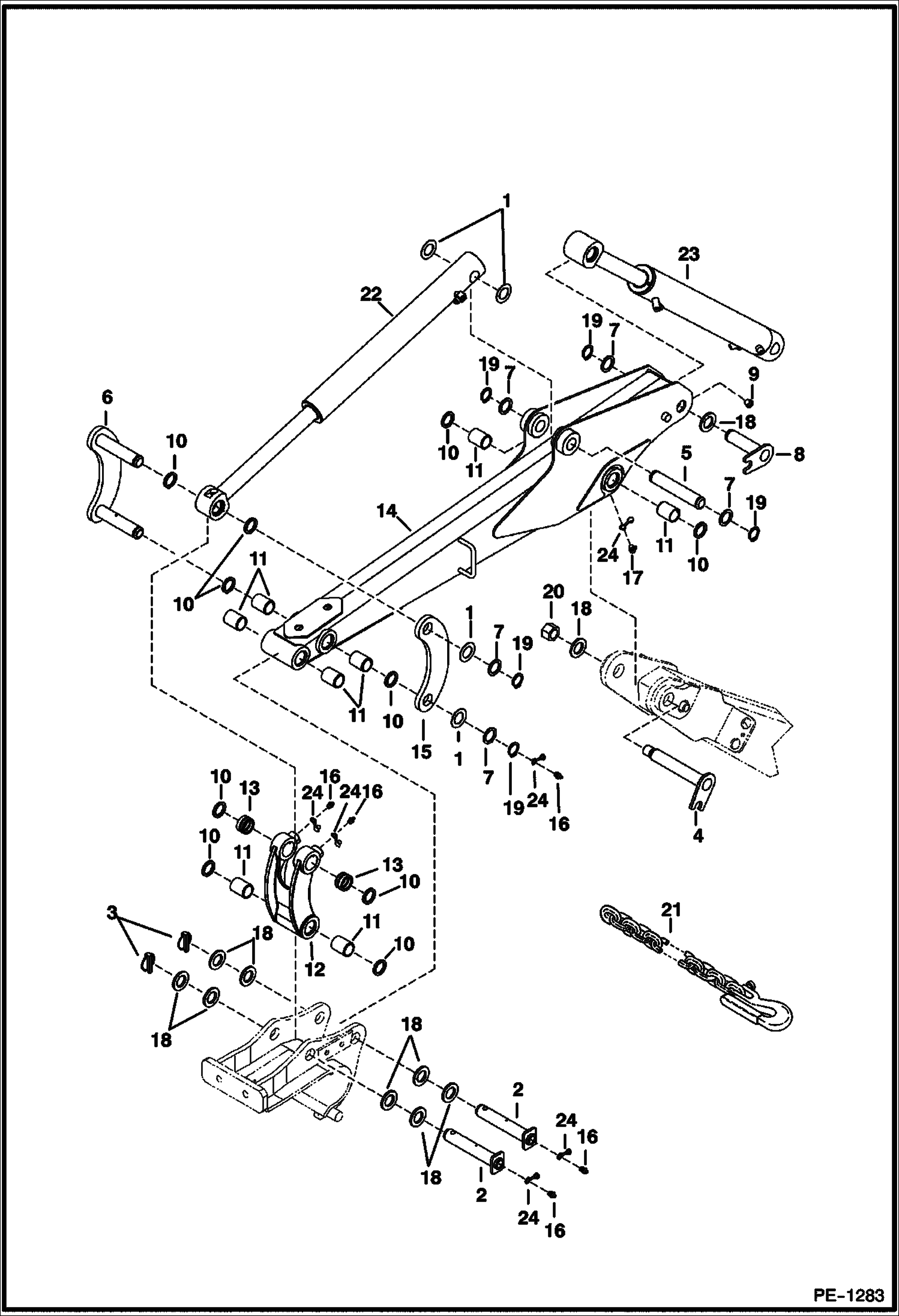
Запчасти Bobcat 320 ARM WORK EQUIPMENT

Схема запчастей Bobcat 320 - ARM WORK EQUIPMENT
FIT
1:1
100%

Артикул

Название

Примечание

Количество

1

6533856

SHIM

2

6539737

PIN, PIVOT

3

6560382

PIN, LOCK

4

6589066

PIN

5

6589067

PIN

6

6589230

LINK, ARM DIPPER

7

6589699

WASHER

8

6589943

PIN

9

6597572

BUMPER

10

6653534

SEAL

11

6802217

BUSHING, PRESS FIT

12

6802218

LINK, BUCKET MACHINED

13

6802588

BUSHING, PRESS FIT

14

6802216

DIPPER 320G-322G For model 320 - Also Order Ref. 11

14

7104146

ARM, DIPPER EXC For model 323 - Also Order Ref. 11

15

7113545

LINK Was 6589229 - A

16

10H25

FITTING, GREASE 5

17

12H15

FITTING, GREASE 5

18

1EM270

WASHER

19

22J19

SNAP RING

20

49DM24

NUT

21

6665374

CHAIN

22

CYLINDER See Illustration HYDRAULIC CIRCUITRY/ PE2542 Bucket

23

CYLINDER See Illustration ARM CYLINDER/ PE2530 Arm

24

6652943

COVER grease fitting

Выбрано товаров: 0