Запчасти Bobcat 320 VALVE SECTION (Auxiliary) (323J) HYDRAULIC SYSTEM

Схема запчастей Bobcat 320 - VALVE SECTION (Auxiliary) (323J) HYDRAULIC SYSTEM
FIT
1:1
100%

Артикул

Название

Примечание

Количество

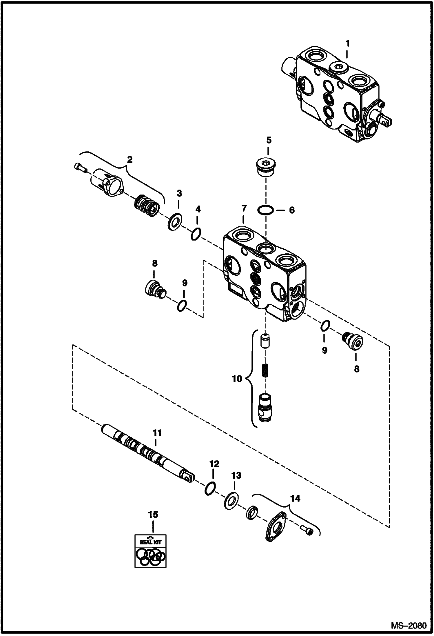
1

6688422

VALVE auxiliary

2

6680068

KIT cap

3

SEAL NSS

4

O-RING NSS

5

6679600

PLUG

6

O-RING NSS

7

BLOCK NSS - Order Ref. 1

8

6680092

VALVE, LOCK LOAD

9

O-RING NSS

10

6680091

VALVE ASSY

11

SPOOL NSS

12

O-RING NSS

13

SEAL NSS

14

6680097

KIT end cap

15

6688430

SEAL KIT

Выбрано товаров: 15