Запчасти Bobcat 320 VALVE SECTION (R.H. Travel) (323J) HYDRAULIC SYSTEM

Схема запчастей Bobcat 320 - VALVE SECTION (R.H. Travel) (323J) HYDRAULIC SYSTEM
FIT
1:1
100%

Артикул

Название

Примечание

Количество

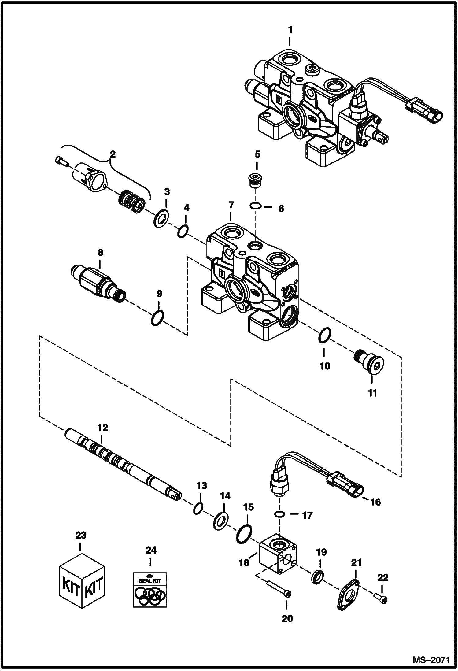
1

6683914

VALVE assy

2

6680068

KIT

3

SEAL NSS - Order Ref. 24

4

O-RING NSS - Order Ref. 24

5

6680093

PLUG

6

O-RING NSS - Order Ref. 24

7

BLOCK NSS - Order Ref. 1

8

6680059

VALVE

9

O-RING NSS - Order Ref. 24

10

O-RING NSS - Order Ref. 24

11

6680057

PLUG

12

SPOOL NSS - Order Ref. 1

13

O-RING NSS - Order Ref. 24

14

WASHER NSS - Order Ref. 24

15

O-RING NSS - Order Ref. 24

16

6679913

SWITCH

17

6679605

O-RING

18

BLOCK NSS - Order Ref. 23

19

SEAL NSS - Order Ref. 23

20

BOLT NSS - Order Ref. 23

21

COVER NSS - Order Ref. 23

22

BOLT NSS - Order Ref. 23

23

6679889

SWITCH

24

6680123

SEAL KIT

Выбрано товаров: 0