Запчасти Bobcat 320 VALVE SECTION (Auxiliary) (320L/320J) HYDRAULIC SYSTEM

Схема запчастей Bobcat 320 - VALVE SECTION (Auxiliary) (320L/320J) HYDRAULIC SYSTEM
FIT
1:1
100%

Артикул

Название

Примечание

Количество

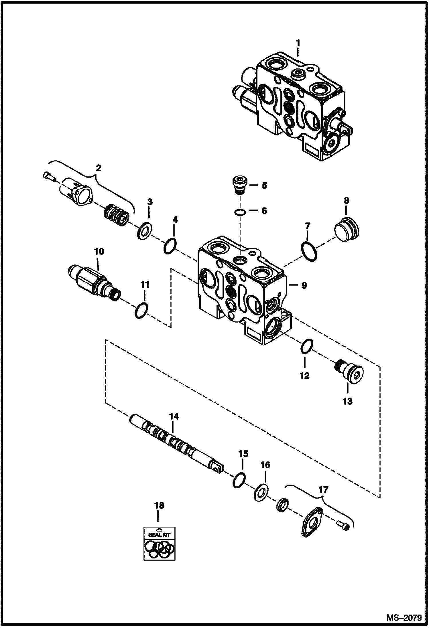
1

6680085

VALVE assy

2

6680068

KIT cap

3

SEAL NSS

4

O-RING NSS

5

6680092

VALVE, LOCK LOAD

6

O-RING NSS

7

O-RING NSS

8

6680058

PLUG

9

BLOCK NSS - Order Ref. 1

10

6680059

VALVE W/Ref. 11

11

O-RING NSS

12

O-RING NSS

13

6680057

PLUG W/Ref. 12

14

SPOOL NSS - W/Ref. 1

15

O-RING NSS

16

SEAL NSS

17

6680097

KIT

18

6680131

SEAL KIT

Выбрано товаров: 18