Запчасти Bobcat 320 UNDERCARRIAGE UNDERCARRIAGE

Схема запчастей Bobcat 320 - UNDERCARRIAGE UNDERCARRIAGE
FIT
1:1
100%

Артикул

Название

Примечание

Количество

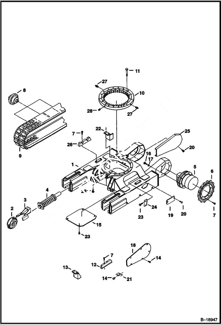
1

FRAME NLA - Order (1) 6596099, Ref. 4, (2) 6589499 & (2) Ref. 25, (12) Ref. 20, (2) Ref. 26, (2) 6697296, (1) 6597305, (3) 6589699 & (3) 6512132 - Was 6539721 - A

1

6596099

FRAME Was 6589282 - A

2

6533626

IDLER See Illustration FRONT IDLER/ B17985

3

6589538

YOKE Was 6533649 - A

4

6534880

SPRING ASSY. See Illustration RECOIL SPRING/ B25176 Recoil

4

SPRING ASSY. See Illustration RECOIL SPRING/ B14351 NLA - Recoil - Was 6589499 - A

5

MOTOR See Illustration TRAVEL MOTOR/ D1922 See BTIE-049 NLA - travel - Was 6651892 - A

6

6539720

SPROCKET

7

3GM1025

BOLT

8

6800510

ROLLER, TRACK See Illustration TRACK ROLLER/ C3143 Track - Was 6533654 - A

9

TRACK, RUBBER See Illustration TRACKS/ NA6209

10

6652015

SWING BEARING W/Refs. 27 & 28 - 110 teeth on Swing Gear

11

10CM1045

BOLT

12

6533657

PLATE Slide

13

6539417

MOUNT For Swivel Joint 6658956

14

29CM816

SCREW

15

6533655

COVER

16

1CM1030

BOLT

17

6EM100

WASHER

18

6533658

COVER

19

6533656

COVER

20

26GM10020

BOLT Was 29CM01020B - B

21

6533874

COVER

22

MOUNT NLA - For Swivel Joint 6664409 - order 6588784 and (2) Ref. 23 - Was 6588785 - A

22

6588784

MOUNT Also order (2) Ref. 23 - this is part of the frame, Ref. 1

23

26GM8016

SCREW Self tapping

24

6596203

COVER

25

6589305

COVER

26

6589639

PLATE Slide

27

6652970

GREASE FITTING Was 6533968 - A

28

6652962

SET SCREW

Выбрано товаров: 31