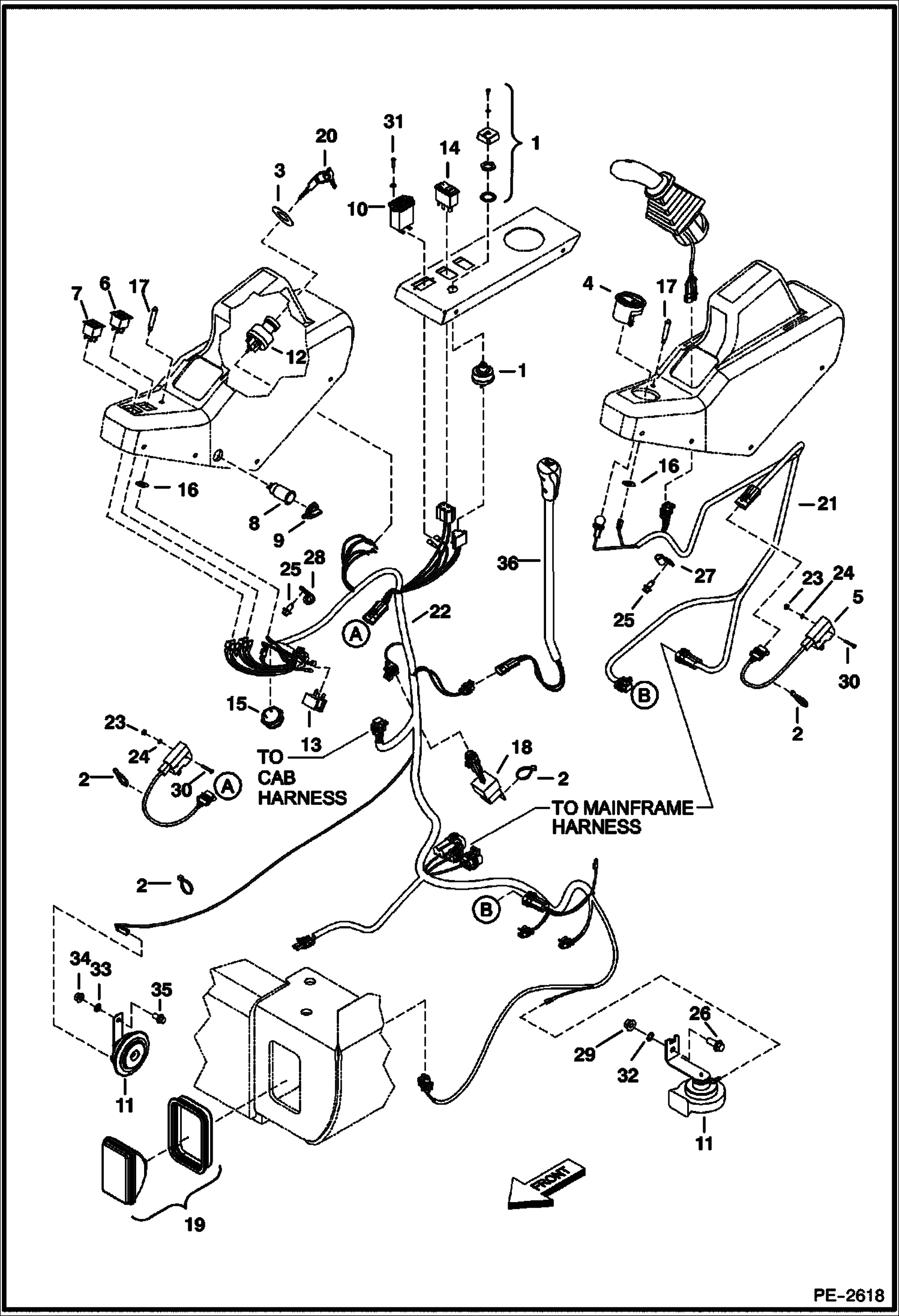
Запчасти Bobcat 320 ELECTRICAL (LH & RH Console) ELECTRICAL SYSTEM

Схема запчастей Bobcat 320 - ELECTRICAL (LH & RH Console) ELECTRICAL SYSTEM
FIT
1:1
100%

Артикул

Название

Примечание

Количество

1

6512808

SWITCH

2

6610510

TIE

3

6596218

PLATE switch

4

6634273

GAUGE, FUEL

5

6661150

SWITCH, ROLLER MICRO roller

6

6661598

LAMP indicator

7

6661599

LAMP indiactor

8

6664223

OUTLET

9

6664224

CAP

10

6664886

HOURMETER

11

6665105

ALARM mounted W/bolt in vertical position

11

6691276

ALARM, HORN mounted W/bolt in horizontal position

12

6665606

SWITCH ignition

13

6673122

TIMER

14

6674025

SWITCH track exp

15

6675705

ALARM track exp

16

6675859

RETAINER

17

7227564

LIGHT, LED GREEN Was 6675908 - A

18

6675928

RELAY, LATCHING 2 speed

19

6676238

LIGHT assy

19

6667934

BULB

19

6676725

BEZEL rubber

20

KEY NLA - ignition - includes two keys W/ring - Order 6693241 - Was 6709527 - A

20

6693241

KEY 10 ignition - single key W/O ring

21

6810550

HARNESS L.H. Console

22

7107138

HARNESS

22

6567537

DIODE

22

7135376

HARNESS

22

6567537

DIODE

23

12D6

NUT 10

24

12E6

WASHER

25

26GM8016

SCREW

26

29CM1025

BOLT

27

30H23

CLAMP

28

30H37

CLAMP

29

43DM10

NUT

30

85G616

SCREW 10

31

87G610

SCREW

32

6E6

WASHER

33

10EM80

WASHER

34

43DM8

NUT

35

29CM816

SCREW

36

LEVER,BLADE NLA - 320J - Order components - Was 6818301 - A

36

6810706

TUBE

36

6684644

INSERT

36

6675831

HANDLE front half

36

6675832

HANDLE back half

36

LEVER, BLADE See Illustration CONTROLS/ PE1901 W/ 2 speed switch

Выбрано товаров: 48