Запчасти Bobcat 320 OIL PAN (Kubota D722-E2B-BC-5) (S/N 562411001 & Abv) POWER UNIT

Схема запчастей Bobcat 320 - OIL PAN (Kubota D722-E2B-BC-5) (S/N 562411001 & Abv) POWER UNIT
FIT
1:1
100%

Артикул

Название

Примечание

Количество

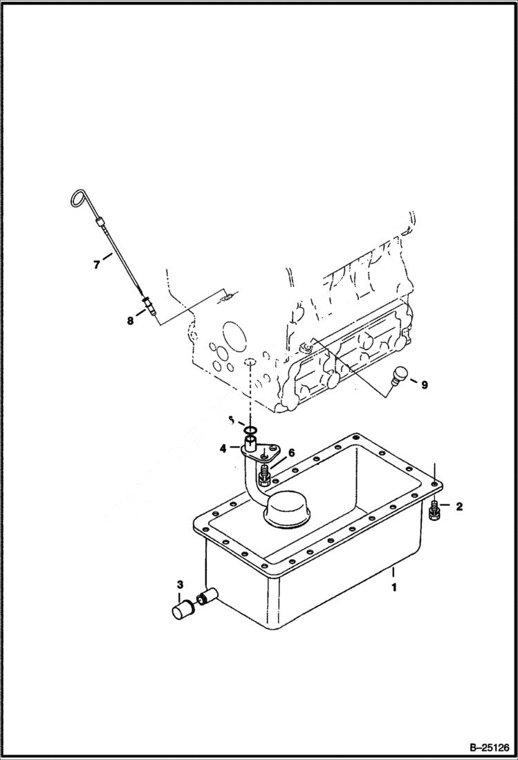
1

6688056

OIL PAN W/O Adapter

2

1CM614

SCREW Was 4CM614 - A

3

6687741

PLUG W/6691271 seal

3

6670347

GASKET Was 6691271 - A

4

6670348

SCREEN oil pickup

5

6680284

O-RING

6

6667420

BOLT

7

6688077

DIPSTICK Was 6687710 - B,D

8

6677203

TUBE,DIPSTICK dipstick - Was 6687684 - B,D

9

6969804

PLUG,OIL GAUGE Was 6687711 - A

Выбрано товаров: 10