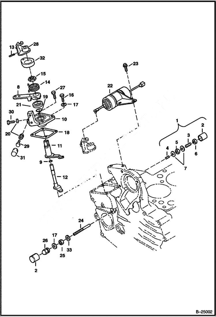
Запчасти Bobcat 320 SPEED CONTROL & STOP LEVER (Kubota D722-E2B-BC-5) (S/N 562411001 & Abv) (Kubota D722-E2B-BC-1) (S/N 224511001 & Abv) POWER UNIT

Схема запчастей Bobcat 320 - SPEED CONTROL & STOP LEVER (Kubota D722-E2B-BC-5) (S/N 562411001 & Abv) (Kubota D722-E2B-BC-1) (S/N 224511001 & Abv) POWER UNIT
FIT
1:1
100%

Артикул

Название

Примечание

Количество

1

6670424

IDLE ASSY Ref. 2-7

2

6670427

CAP, SECURITY

3

BOLT NSS

4

SPRING NSS

5

6599085

NUT Was 6680836 - A

6

6670426

NUT

7

3974095

MET-GASK

8

6687712

LEVER

9

3974280

O RING

10

6670456

COVER

11

6670455

LEVER ASSY

12

6670429

LEVER

13

6670431

PIN

14

6670780

SPRING

15

6687674

NUT

16

4CM618

BOLT

16

6693055

BOLT Use W/O Ref. 17

17

3974972

GASKET

18

6670457

GASKET

19

6683021

SEAL

20

NUT NSS

21

6687678

COLLAR

22

6670776

SOLENOID, SHUTOFF FUEL

23

29CM612

BOLT, FLANGED Was 6652762 - A

24

6670461

BOLT

25

6680272

NUT

26

6670462

NUT

27

6652580

BOLT

28

6698155

LEVER, ENGINE STOP Was 6670430 - B,D

29

STOPPER NSS

30

STOPPER NSS

31

CAP NSS

32

6670781

CAP

33

6687687

GASKET

Выбрано товаров: 34