Качественные детали и логистика
Оригинальные и аналоговые запчасти с доставкой по России, Казахстану и Беларуси
©2022 PartSell ООО "Система" ИНН 2463123282 ОГРН 1212400004838
Центральный офис: г. Красноярск, Академика Киренского, д.87, пом.4
Телефон: 8 (800) 777-65-74 Email: zakaz@partsell.ru
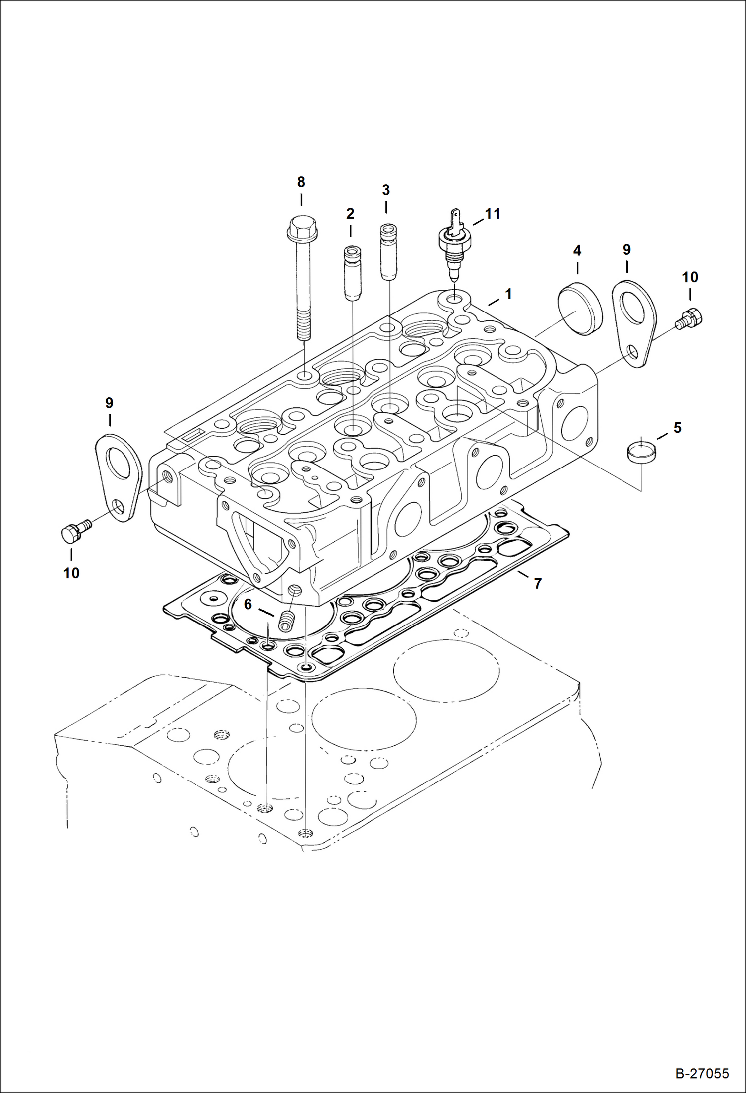
CYLINDER HEAD (Kubota - D722-E3B-BC-5) (Tier IV Replacement)
№
Артикул
Название
Примечание
Количество
1
6698144
HEAD, CYLINDER W/Ref. 2-8
7015472
HEAD ASSY W/Ref. 2-8 - Was 7016959 - A
2
6670351
VALVE GUIDE intake
3
6670352
VALVE GUIDE exhaust
4
3974033
CAP
5
3974056
6
6598116
PLUG
7
7000501
GASKET metal shim type - 3 layers - Was 6693856 - A
8
6670353
BOLT
9
3974882
HOOK
10
6667421
11
6671584
SENDER
Выбрано товаров: 0