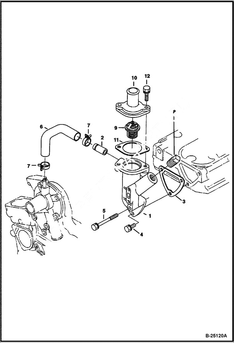
Запчасти Bobcat 320 WATER FLANGE & THERMOSTAT (Kubota - D722-E3B-BC-5) (Tier IV Replacement) REPLACEMENT ENGINE

Схема запчастей Bobcat 320 - WATER FLANGE & THERMOSTAT (Kubota - D722-E3B-BC-5) (Tier IV Replacement) REPLACEMENT ENGINE
FIT
1:1
100%

Артикул

Название

Примечание

Количество

1

6670499

FLANGE

2

6670785

PIPE

3

6670500

GASKET

4

1CM616

SCREW Was 4CM616 - A

5

6670770

BOLT

6

6670502

HOSE

7

6680580

CLAMP

8

6684857

PLUG

9

6652760

THERMOSTAT

10

6688082

COVER

11

6681757

GASKET THERMOSTAT

12

6653584

BOLT

Выбрано товаров: 12