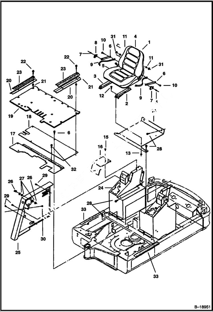
Запчасти Bobcat 320 CONTROL CONSOLE (Seat Mounting & Floorboards) (S/N 511720001-511721411) CONTROLS

Схема запчастей Bobcat 320 - CONTROL CONSOLE (Seat Mounting & Floorboards) (S/N 511720001-511721411) CONTROLS
FIT
1:1
100%

Артикул

Название

Примечание

Количество

1

6632388

SEAT W/Refs. 2-5

2

3737000

TRACK W/Adjuster handle

3

3737001

ADJUSTER W/O Adjuster handle

4

3737081

BACKREST Back rest

5

3737010

CUSHION, SEAT Seat

6

6587500

GUIDE ASSY. Seat belt - W/Ref. 7 & 8

7

GUIDE NLA - Order 6703703 - Was 6565355

8

6630207

RIVET 5

9

6564774

SEAT BELT

10

29CM1020

BOLT

11

49DM10

NUT

12

1CM816

BOLT

13

1DM8

NUT

14

6588162

PLATE Seat Mount

15

6587499

SCREW Phillips Head

15

6589675

SCREW Self Tapping Torx Head

16

COVER NLA - R.H. - Order (1) 6587967 & (1) 6589765 - Was 6588194 - A

16

6587967

COVER R.H.

17

FLOORBOARD NLA - Front - Order (1) 6801981 & (1) 26GM10020B - Was 6588247 - A

17

6801981

FLOORPLATE Front - Was 6588254 - A

18

6588248

FLOORBOARD Rear

19

6588429

FLOORMAT Cab Models

19

6589891

FLOORMAT Cab Models

20

6588250

ANGLE Floormat Retainer

21

6503451

SPACER

22

29CM1030

BOLT

23

6593245

TREAD

24

6587944

CONSOLE R.H. Mount

24

6589382

CONSOLE R.H. Mount

25

6588032

COVER R.H

26

6674389

LOCK ASSY Hydraulic Fill Door - W/Keys - Was 6661695 - A

26

6587458

KEY

27

6536802

WASHER

28

26GM10020

BOLT Was 29CM-1016 - A

29

29CM816

SCREW Flange Head

29

26GM8016

SCREW Self Tapping Flange Head

30

1CM812

BOLT

31

6EM100

WASHER

32

26GM10020

BOLT

33

6588953

TREAD

Выбрано товаров: 40