Качественные детали и логистика
Оригинальные и аналоговые запчасти с доставкой по России, Казахстану и Беларуси
©2022 PartSell ООО "Система" ИНН 2463123282 ОГРН 1212400004838
Центральный офис: г. Красноярск, Академика Киренского, д.87, пом.4
Телефон: 8 (800) 777-65-74 Email: zakaz@partsell.ru
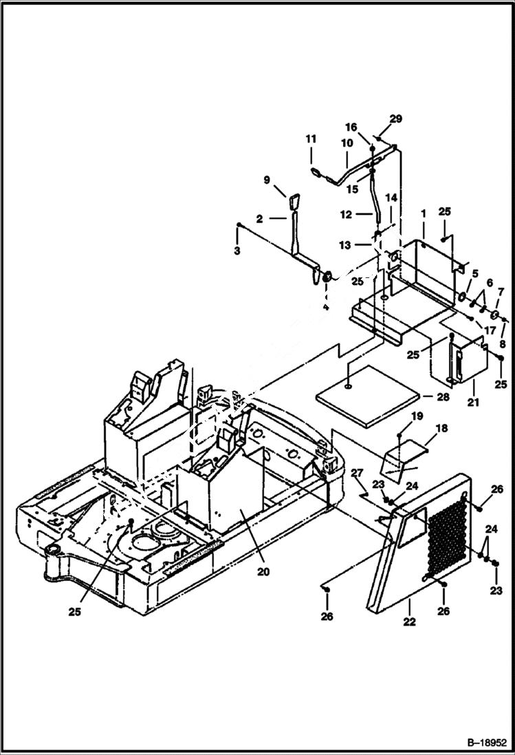
CONTROL CONSOLE (S/N 511720001-511721411)
№
Артикул
Название
Примечание
Количество
1
PLATE NLA - Floor Pan - Order (1) 6588176 & (1) 26GM08016B - Was 6588186 - A
6588176
PLATE Floor Pan
2
6588183
LEVER Speed Control
3
1CM830
BOLT
4
6567963
SPACER
5
6567962
WASHER Friction
6
6630945
WASHER Wave Spring
7
6534807
PLATE
8
49DM8
NUT
9
6564452
GRIP
10
6588182
LEVER Swing Lock
11
6586856
12
6586857
ROD
13
6586717
PIN Swing Lock
14
14J1820
PIN
15
25E21
WASHER 5
16
49DM12
17
1CM1025
18
COVER NLA - L.H. - Order (1) 6587973 & (1) 6589675 - Was 6588195 - A
6587973
COVER L.H.
19
6587499
SCREW Phillips Head
20
6587948
CONSOLE L.H. Mount
6589381
21
6588184
COVER
22
6588033
23
6674389
LOCK ASSY Fuel Fill Door - W/Key - Was 6661695 - A
6587458
KEY
24
6536802
WASHER
25
26GM10020
BOLT Was 29CM01060B - A
26
29CM816
SCREW Flange Head
26GM8016
SCREW Self Tapping Flange Head
27
1CM812
28
6588187
INSULATION
29
49DM10
Выбрано товаров: 0