Качественные детали и логистика
Оригинальные и аналоговые запчасти с доставкой по России, Казахстану и Беларуси
©2022 PartSell ООО "Система" ИНН 2463123282 ОГРН 1212400004838
Центральный офис: г. Красноярск, Академика Киренского, д.87, пом.4
Телефон: 8 (800) 777-65-74 Email: zakaz@partsell.ru
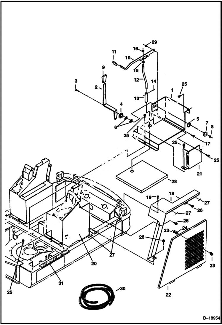
CONTROL CONSOLE (S/N 511721412 & Above)
№
Артикул
Название
Примечание
Количество
1
6588176
PLATE Floor Pan
2
6588183
LEVER Speed Control
3
1CM830
BOLT
4
6567963
SPACER
5
6567962
WASHER Friction
6
6630945
WASHER Wave Spring
7
6534807
PLATE
8
49DM8
NUT
9
6564452
GRIP
10
6588182
LEVER Swing Lock
11
6586856
12
6586857
ROD
13
6586717
PIN Swing Lock
14
14J1820
PIN
15
25E21
WASHER 5
16
49DM12
17
1CM1025
18
6589750
COVER L.H.
19
6589675
SCREW
20
6589381
CONSOLE L.H. Mount
21
6588184
COVER
22
6589749
COVER L.H. - Was 6803752 - D
23
6674389
LOCK ASSY Fuel Fill Door - W/Key - Was 6661695 - A
6587458
KEY
24
6536802
WASHER
25
26GM10020
26
26GM8016
27
INSULATION NLA - Order Ref. 30 - 3'' (76mm) long
28
6588187
INSULATION
29
49DM10
30
SEAL NLA - bulk - sold per foot - Was 6632217 - B
31
6593245
TREAD
Выбрано товаров: 0