Запчасти Bobcat 320 CONTROL CONSOLE CONTROLS

Схема запчастей Bobcat 320 - CONTROL CONSOLE CONTROLS
FIT
1:1
100%

Артикул

Название

Примечание

Количество

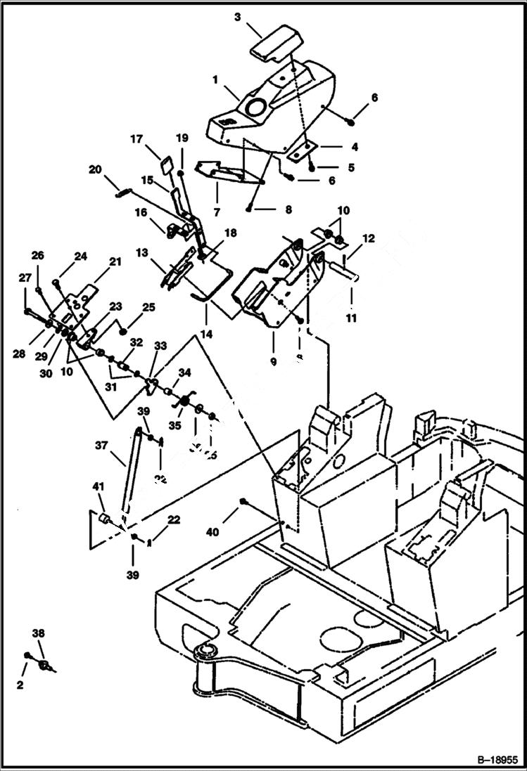
1

6800210

COVER See BTIE-041 for ignition switch hole information - R.H. Console - Was 6596345 - A

2

29CM816

SCREW

3

6587157

ARMREST

4

6587158

PLATE Armrest Retainer

5

29CM1020

BOLT

6

6587499

SCREW Phillips Head

6

6589675

SCREW Self Tapping Torx Head

7

COVER NLA - Order (1) 6586847, (4) 6589675, (2) 26GM08016B - Was 6586846 - A

7

6586847

COVER

8

1CM816

BOLT Flanged Head - Was 1CM00812B - A

8

26GM8016

SCREW Self Tapping Flanged Head

9

CONSOLE See BTIE-040 NLA - Was 6587796 - A

9

6589377

CONSOLE

10

6536801

BUSHING

11

6586849

PIN

12

14J1820

PIN

13

6586850

BRACKET Console Latch

14

6586854

ROD Console Release

15

6586855

LEVER Console Release

15

6589384

LEVER Console Release

16

6587078

SUPPORT Release Lever

16

6589383

SUPPORT Release Lever

17

6586856

GRIP

18

21CM820

BOLT

19

42DM8

NUT

20

6563128

SPRING

21

6594859

PLATE RH latch - Was 6587030 - A

22

13JM20025

COTTERPIN

23

6537481

MOUNT Pivot

24

1CM1025

BOLT

25

49DM10

NUT

26

1CM612

BOLT Hex Head

26

6589675

SCREW Self Tapping Torx Head

27

1CM1080

BOLT

28

27E6

WASHER 5

29

6536803

WASHER Wave Spring

30

6536802

WASHER

31

58K015

O-RING 10

32

6536545

SLEEVE

33

6586853

LATCH Console Hold Down

34

6587357

BUSHING

35

6586868

SPRING

36

17EM100

WASHER

37

6655965

CYLINDER Gas Spring

38

6586967

PIVOT Gas Spring W/2 Bolt Mounting

39

15EM100

WASHER

40

29CM1016

BOLT

41

6589879

PIVOT Gas Spring W/1 Bolt Mounting

Выбрано товаров: 48