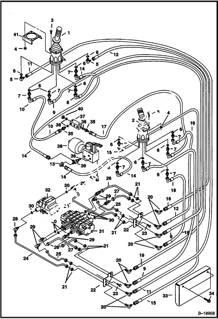
Запчасти Bobcat 320 HYDRAULIC CIRCUITRY (Joystick Controls) (Standard) (S/N 511720001-511721411) HYDRAULIC SYSTEM

Схема запчастей Bobcat 320 - HYDRAULIC CIRCUITRY (Joystick Controls) (Standard) (S/N 511720001-511721411) HYDRAULIC SYSTEM
FIT
1:1
100%

Артикул

Название

Примечание

Количество

1

6654120

JOYSTICK ASSY. See Illustration R.H. JOYSTICK CONTROLS/ D1972 - RH

2

6654119

JOYSTICK ASSY. See Illustration L.H. JOYSTICK CONTROLS/ D1973 - LH

3

1CM625

BOLT

4

1DM6

NUT

5

6657392

ELBOW W/Ref. 6

6

6655244

O-RING

7

6654895

ADAPTER W/Ref. 6

8

6587287

HOSE

9

6588389

HOSE Was 6587288 - A

10

6579167

HOSE

11

6587286

HOSE

12

6588388

HOSE

13

11K5

FITTING

14

6618198

HOSE

15

6588370

HOSE Was 6587290 - A

16

6587289

HOSE

17

6587294

HOSE

18

6588387

HOSE Was 6587291 - A

19

6587288

HOSE Was 6587293 - A

20

88F3

ELBOW 5

21

86F3

LOCKNUT

22

6587012

PLATE

23

29CM1025

BOLT

24

6587118

TUBE

25

6587119

TUBE

26

6587116

TUBE

27

6587117

TUBE

28

6587710

TUBE

29

17K3

ELBOW W/Ref. 30

30

79K4

O RING 10

31

6661592

VALVE See Illustration CONTROL VALVE ASSEMBLY/ D2099 6-spool

32

VALVE See Illustration CONTROL VALVE ASSEMBLY/ B24429 NLA - 3-spool - Was 6661593 - A

33

6587013

COVER

34

29CM1055

BOLT

35

15K5

FITTING W/Ref. 36

36

79K6

O RING 10

37

6667829

BLOCK Drain - With Screen - Was 6587437 - A

37

6667830

DRAIN BLOCK Drain - W/O Screen

38

MANIFOLD See Illustration JOYSTICK MANIFOLD/ B13776 Joystick

39

21K5

TEE W/Ref. 36

40

24K5

PLUG W/Ref. 36

41

6586848

BRACKET L.H. & R.H.

42

1CM825

BOLT

Выбрано товаров: 0