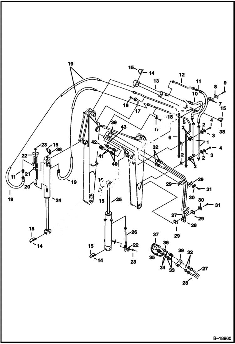
Запчасти Bobcat 320 HYDRAULIC CIRCUITRY (Boom, Arm & Auxiliary) (S/N 511720001-511721115) HYDRAULIC SYSTEM

Схема запчастей Bobcat 320 - HYDRAULIC CIRCUITRY (Boom, Arm & Auxiliary) (S/N 511720001-511721115) HYDRAULIC SYSTEM
FIT
1:1
100%

Артикул

Название

Примечание

Количество

1

6587390

TUBE

2

6578870

CLAMP

3

6535422

COVER

4

1C432

SCREW

5

6587388

TUBE

6

6587389

TUBE

7

6577697

CLAMP Was 6701893 - B

8

6652521

PLATE Was 6647638 - A

9

1CM640

SCREW

10

6706591

HOSE Was 6587272 - A

11

87F5

FITTING

12

6535708

TUBE

13

CYLINDER See Illustration ARM CYLINDER/ C3314 Arm

14

10H25

FITTING, GREASE 5 Grease

15

6652943

COVER grease fitting

16

11H15

GREASE FITTING Grease

17

6562266

CLAMP

18

1CM1025

BOLT

19

6597891

HOSE Was 6587497 - C

20

6586507

TUBE

21

6586514

PLATE

22

6502426

CLAMP

23

49DM10

NUT

24

CYLINDER See Illustration BUCKET CYLINDER/ C3339 Bucket

25

CYLINDER See Illustration BOOM CYLINDER/ C3316 Boom

26

6587103

TUBE

27

6588061

TUBE

28

6588062

TUBE

29

6577697

CLAMP Was 6701893 - B

30

6652521

PLATE

31

1C520

BOLT

32

86F7

LOCK NUT For Bulkhead Fittings

33

45K7

CONNECTR Bulkhead For Poppet Couplers

34

79K10

O RING 10 For Poppet Couplers

35

6598758

COUPLER, POPPET FEMALE straight

36

6598757

COUPLER, POPPET MALE straight

37

6513709

CAP PLUG Coupler - Use W/Poppet Couplers only

38

12H15

FITTING, GREASE 5 Grease

39

6589353

PLATE Welded on the boom

40

6711625

FITTING Bulkhead - Use W/Flush Face Couplers

41

79K12

O RING 10 Use W/Flush Face Couplers

42

6672960

COUPLER, FF FEMALE straight - Was 6667807 - A

43

6674688

COUPLER, FF MALE straight - Was 6667808 - A

43

6679841

SEAL Was 6672026 - A

Выбрано товаров: 44