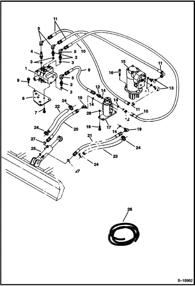
Запчасти Bobcat 320 HYDRAULIC CIRCUITRY (Blade & Swing) (S/N 511720001-511721411) HYDRAULIC SYSTEM

Схема запчастей Bobcat 320 - HYDRAULIC CIRCUITRY (Blade & Swing) (S/N 511720001-511721411) HYDRAULIC SYSTEM
FIT
1:1
100%

Артикул

Название

Примечание

Количество

1

VALVE See Illustration CONTROL VALVE ASSEMBLY/ D2118 NLA - 3-spool - Was 6661593 - A

2

743108

FITTING W/Ref. 3

3

79K8

O RING 10

4

16KB0608

FITTING, HYD CONNECTOR W/Ref. 3 - Was 6587170 - A

5

11K5

FITTING

6

6586863

PLATE mounting

7

2C512

SCREW

8

29CM1030

BOLT

9

HOSE See Illustration HYDRAULIC CIRCUITRY/ D2366 See BTIE-043 NLA - for new Hose Routing - Was 6535449 - A

10

HOSE See Illustration HYDRAULIC CIRCUITRY/ D2366 See BTIE-043 NLA - for new Hose Routing - Was 6587679 - A

11

6587032

HOSE

12

6654377

ADAPTER Use W/Swivel Joint 6658956

12

15K5

FITTING W/Ref. 14 - Use W/Swivel Joint 6664409

13

17K5

ELBOW W/Ref. 14

14

79K6

O RING 10

15

6669539

SWING MOTOR See Illustration SWING MOTOR/ D2041 See BTIE-055 Was 6669533 - A

16

1CM1040

BOLT

17

6658956

SWIVEL JOINT See Illustration SWIVEL JOINT/ B20001

17

6664409

SWIVEL JOINT See Illustration SWIVEL JOINT/ B14077

18

1CM835

BOLT Use W/Swivel Joint 6658956

18

29CM1025

BOLT Use W/Swivel Joint 6664409

19

6654378

ELBOW Use W/Swivel Joint 6658956

19

17K5

ELBOW W/Ref. 14 - Use W/Swivel Joint 6664409

20

6597884

HOSE Was 6589723 - A

21

6597885

HOSE Was 6589724 - A

22

COVER NLA - Order Ref. 26 - 25'' (635mm) long

23

COVER NLA - Order Ref. 26 - 30'' (762mm) long

24

6665221

CABLE TIE metal - requires tool MEL-1427 to install cable tie - Was 1715312B - B

25

CYLINDER See Illustration BLADE CYLINDER/ B18867 blade

26

6649389

HOSE COVER bulk - Sold Per Foot

27

6586430

ORIFICE .035'' (0,90 mm)

28

1DM8

NUT

Выбрано товаров: 32