Качественные детали и логистика
Оригинальные и аналоговые запчасти с доставкой по России, Казахстану и Беларуси
©2022 PartSell ООО "Система" ИНН 2463123282 ОГРН 1212400004838
Центральный офис: г. Красноярск, Академика Киренского, д.87, пом.4
Телефон: 8 (800) 777-65-74 Email: zakaz@partsell.ru
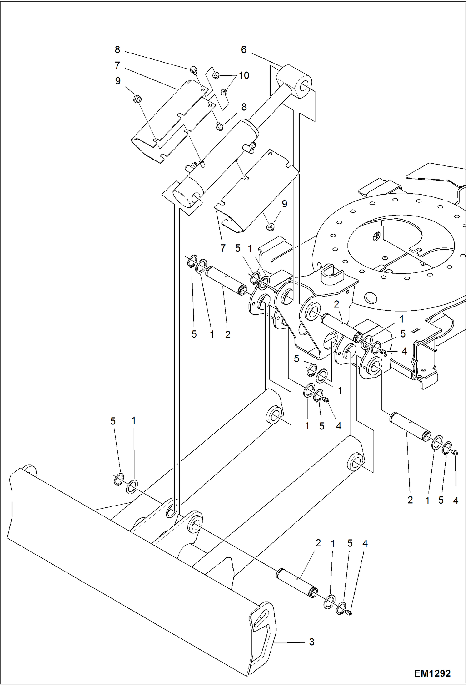
BLADE
№
Артикул
Название
Примечание
Количество
1
6589699
WASHER
2
6805134
PIN
3
7145535
BLADE Was 7138226 - A
4
10H25
FITTING, GREASE 5
5
22J19
SNAP RING
6
7114888
CYL ASSY 323 BLADE See Illustration BLADE CYLINDER/ EM1277
7
7115646
SHIELD, CYL
8
29CM816
SCREW
9
43DM10
NUT
10
43DM8
Выбрано товаров: 0