Качественные детали и логистика
Оригинальные и аналоговые запчасти с доставкой по России, Казахстану и Беларуси
©2022 PartSell ООО "Система" ИНН 2463123282 ОГРН 1212400004838
Центральный офис: г. Красноярск, Академика Киренского, д.87, пом.4
Телефон: 8 (800) 777-65-74 Email: zakaz@partsell.ru
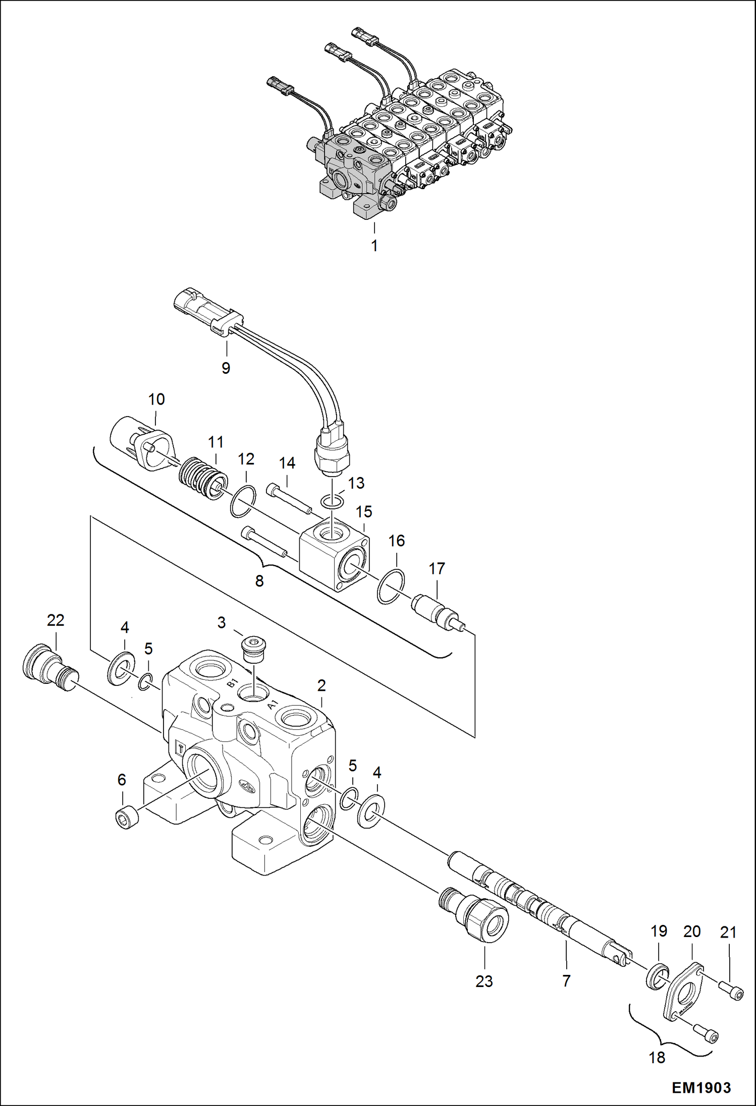
VALVE SECTION (RH Travel)
№
Артикул
Название
Примечание
Количество
1
6683914
VALVE W/Ref. 2-24
2
6693134
KIT W/Ref. 3-7
3
BLOCK NLA - Order Ref. 2
4
6680095
WASHER
5
6680094
O-RING
6
7015355
PLUG
7
6680093
8
6689031
KIT W/Ref. 9-17
9
6679913
SWITCH
10
6679496
END CAP
11
7015380
SPRING ASSY
12
O-RING NLA - Order Ref. 8
13
6679605
14
6679501
SCREW
15
7015381
CAP
16
6679604
17
6685780
CONTROL ASSY
18
6680097
KIT W/Ref. 19-21
19
6679912
SEAL
20
6679911
SLEEVE
21
6680071
22
6680057
23
6693139
GF/SDS100-SAE6 INLET JOINT
24
6693122
H2H03/SDS100 SPOOL
Выбрано товаров: 0