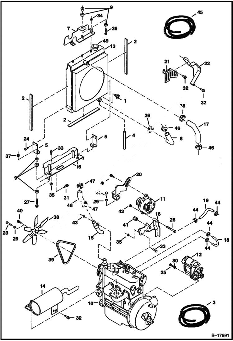
Запчасти Bobcat 322 ENGINE & ATTACHING PARTS (Radiator & Muffler) POWER UNIT

Схема запчастей Bobcat 322 - ENGINE & ATTACHING PARTS (Radiator & Muffler) POWER UNIT
FIT
1:1
100%

Артикул

Название

Примечание

Количество

1

6513679

VALVE

2

SEAL NLA - 17: (450 mm) long - Order Ref. 3 - Was 6534762 - D

3

6554274

INSULATION Bulk - Sold Per Foot

4

HOSE NLA - Was 6548761 - D

5

6588158

BRACKET Was 6688158 - A

6

6628926

MOUNT

7

6628927

BRACKET

8

6803595

HOSE Radiator - Was 6628930 - A

9

6653763

MOUNT

10

ENGINE See BTIE-063 - NLA - Does not include Starter, Fan, Alternator, Flywheel & Bell Housing - Was 6669594 - A

11

ALTERNATOR See Illustration ALTERNATOR/ C3456

12

STARTER See Illustration STARTER/ B17548

13

6669720

EXCHANGER Heat

14

6669721

MUFFLER Spark Arrester

14

MUFFLER NLA - Was 6670169 - A

14

6671103

MUFFLER, PURIFIER

15

6800013

TUBE

16

6800479

MOUNT

17

6801089

HOSE Radiator

18

6801132

HOSE Fuel

19

6801245

HOSE Fuel

20

6801694

BRACKET

21

6801722

SHIELD

22

6801723

SHIELD

23

BOLT NLA - Order Ref. 40 - Was 1CM00616B - A

24

1CM816

BOLT

25

1CM1025

BOLT

26

1CM1040

BOLT

27

1CM1045

BOLT

28

1CM1090

BOLT

29

WASHER NLA - Order Ref. 40 - Was 6EM00060B - B

30

7EM100

LOCKWSHR

31

26GM10020

BOLT

32

29CM816

SCREW

33

29CM1025

BOLT

34

43DM8

NUT Was 42DM00008B - B

35

43DM10

NUT Was 42DM00010B - B

36

5HM35

HOSECLAMP Was 42H000016B - A

37

53DM10

NUT Was 49DM00010B - B

38

6672744

FAN 4 blade - Was 6670166 - A

39

6534779

V-BELT Was 6534778 - D

40

29CM616

BOLT

41

GROMMET Was 565073 - A

42

45DM10

NUT 10

43

1DM6

NUT

44

42H10

HOSECLAM5

45

6577822

HOSE bulk - sold per foot

46

5HM30

CLAMP

47

5HM29

HOSECLAMP

48

6674254

HOSE

49

6646678

CAP Was 6673313 - A

Выбрано товаров: 51