Запчасти Bobcat 322 GEARCASE POWER UNIT

Схема запчастей Bobcat 322 - GEARCASE POWER UNIT
FIT
1:1
100%

Артикул

Название

Примечание

Количество

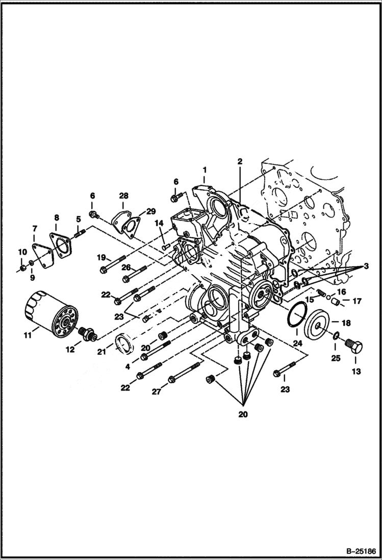
1

7018013

HOUSING, GEAR Also order 7017980 housing gasket, 7017981 water pump & 7000377 pump gasket and do not use Ref. 3 o-ring - W/Ref. 14 & 20 - Was 6670768 - A

2

6670356

GASKET See Illustration LOWER GASKET KIT/ B25295 - Included W/Lower gasket kit

3

6599081

O-RING See Illustration LOWER GASKET KIT/ B25295 - Included W/Lower gasket kit

4

6657414

BOLT

5

6652764

STUD

6

6652580

BOLT

7

6670362

COVER

8

6670363

GASKET See Illustration LOWER GASKET KIT/ B25295 - Included W/Lower gasket kit

9

6667419

WASHER

10

1DM6

NUT

11

6671057

FILTER, OIL ENG 12 Was 3974113B - B

12

6652597

ADAPTER

13

6688075

BOLT Was 6657605 - A

14

6670355

PIN

15

6670359

SPRING

16

6670361

BALL

17

6670360

SEAT

18

6657604

COVER

19

6670771

BOLT

20

6667425

PLUG

21

6670358

SEAL front crankshaft

22

6670357

BOLT

23

6670770

BOLT

24

6657422

O-RING

25

6670769

O-RING

26

6652593

BOLT

27

6670772

BOLT

28

7000378

COVER, PLATE Was 6670773 - A

29

6688076

GASKET Was 6670774 - A

Выбрано товаров: 29