Запчасти Bobcat 322 MANIFOLDS POWER UNIT

Схема запчастей Bobcat 322 - MANIFOLDS POWER UNIT
FIT
1:1
100%

Артикул

Название

Примечание

Количество

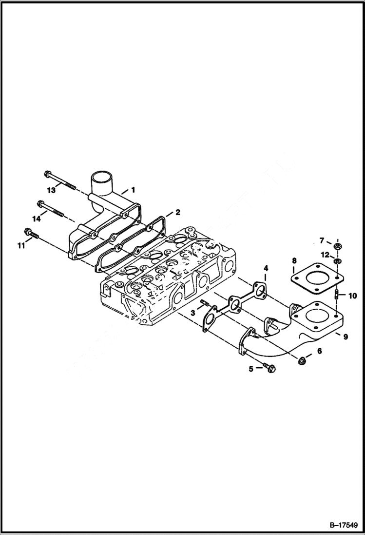
1

6670534

MANIFOLD Intake

2

6670535

GASKET See Illustration UPPER GASKET KIT/ C3243 - Included W/Upper Gasket Kit

3

3974289

STUD Was 6670532 - A

4

6670530

GASKET See Illustration UPPER GASKET KIT/ C3243 - Included W/Upper Gasket Kit

5

6670531

BOLT

6

6670533

NUT

7

1DM8

NUT

8

6575580

GASKET See Illustration UPPER GASKET KIT/ C3243 - muffler

9

6670786

MANIFOLD Exhaust

10

3974627

STUD

11

1CM625

BOLT Was 4CM625 - A

12

6EM80

WASHER, SPRING

13

6670788

BOLT

14

6670770

BOLT

Выбрано товаров: 14